1 Attachment(s)
PIC16F84A Matrix LED Display
Hi Friends,
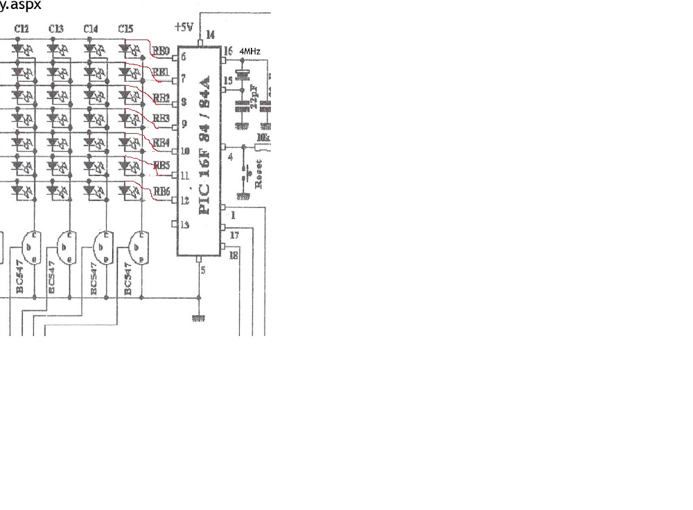
This is a PIC16F84A Microcontroller based matrix LED Display. It uses 7x15 (or 8x16) LED Matrix to display characters.
The circuit uses two 4017 IC s to move the characters.
Use the following link to download schematic, source codes and compiled hex files -
Documentation is also added with details of how to display your own message.
http://www.manelsoft.com/projects/pi...d_display.aspx
Attachment 7139
Good Luck.! :D
Re: PIC16F84A Matrix LED Display
Did you hook up your matrix exactly like the schematics out of the PIC Programming handbook? If so, I don't see how they work. I've been shown up many times in electronics and it might happen again here so here goes.
On the 7 x 15 schematic the left hand CD4017 pin 6 is hooked directly to ground along with the base of the first column transistor. On either schematic I don't see how any diode is positively biased. None of the LEDs have a positive voltage applied to the anodes. If a high is to come from the PIC it's blocked by the right most column LEDs.
I haven't had a chance to look at the code and frankly I wouldn't know an error in assembly if it had a prompt. I do plan on using your code in a project when I get some time. Thanks and let the schooling begin.
Re: PIC16F84A Matrix LED Display
I don't understand why column 15 is wired differently than the others.
Robert
1 Attachment(s)
Re: PIC16F84A Matrix LED Display
I think this is how it should be wired. The original had all the pic outputs shorted?
Attachment 7145
Re: PIC16F84A Matrix LED Display
I think you're correct in wiring the rows to a port pin on the pic.
After looking at the datasheet I see the 16F84 can sink/source 25mA per pin. Now I see why you'd want to use that chip. How would you do it with a 16F877A where the pins are not as robust? That was the chip I was planning on using is the reason I'm asking.
Re: PIC16F84A Matrix LED Display
Hi Friends, There was a mistake in the schematic. Thank you all for showing it. I fixed it. Please see the corrected one.
http://www.manelsoft.com/projects/pi...d_display.aspx
Re: PIC16F84A Matrix LED Display
@mark_s : Yes you are correct, There was a mistake in the Schematic, I fixed it. Thank you very much, Please see the corrected one.
http://www.manelsoft.com/projects/pi...d_display.aspx
Re: PIC16F84A Matrix LED Display
Quote:
Originally Posted by
AvionicsMaster1
I think you're correct in wiring the rows to a port pin on the pic.
After looking at the datasheet I see the 16F84 can sink/source 25mA per pin. Now I see why you'd want to use that chip. How would you do it with a 16F877A where the pins are not as robust? That was the chip I was planning on using is the reason I'm asking.
I'd sink via transistors; cheap and simple.
Robert