Email:
' Blink Green LED 1x long at start of Email routine
TOGGLE LED_GRN
PAUSE 1000
TOGGLE LED_GRN
PAUSE 2000
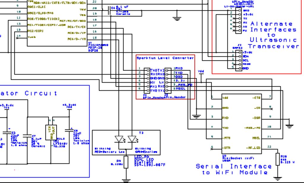
GOSUB BOOT ' Setup WiFi module for ops if installed
' Executuon fails in BOOT and never gets to this point...see WRITE statement notes in BOOT routine below
EMAIL_SET:
SEROUT2 TX,6,["AT+iSBJ:iChip ADC TEMPERATURE",$d,$a] 'Permanently sets Email header s Subject field
SERIN2 RX ,6,2500,EMAIL_SET,[WAIT("I/OK")]
SEROUT2 TX,6,["AT+iTOA:
[email protected]",$d,$a] 'Permanently sets Email addressee
SERIN2 RX ,6,2500,EMAIL_SET,[WAIT("I/OK")]
SEROUT2 TX,6,["AT+ito:jellis00",$d,$a] 'Permanently sets Email header s =To: description
SERIN2 RX ,6,2500,EMAIL_SET,[WAIT("I/OK")]
SEROUT2 TX,6,["AT+iREA:
[email protected]",$d,$a] 'Permanently sets the RETURN EMAIL Address
SERIN2 RX ,6,2500,EMAIL_SET,[WAIT("I/OK")]
SEROUT2 TX,6,["AT+iFRM:iChip",$d,$a] 'Permanently sets Email header =From: description.
SERIN2 RX ,6,2500,EMAIL_SET,[WAIT("I/OK")]
SEROUT2 TX,6,["AT+iSMTP:mail.comcast.net",$d,$a]'Sets the SMTP Server Name or IP.
SERIN2 RX ,6,2500,EMAIL_SET,[WAIT("I/OK")]
SEROUT2 TX,6,["AT+iSMA=1",$d,$a] 'Permanently sets SMTP authentication method
SERIN2 RX ,6,2500,EMAIL_SET,[WAIT("I/OK")]
SEROUT2 TX,6,["AT+iSMP:Kevin111",$d,$a] 'Permanently sets authenticated SMTP login
SERIN2 RX ,6,2500,EMAIL_SET,[WAIT("I/OK")]
SEROUT2 TX,6,["AT+iSMU:
[email protected]",$d,$a]'Permanently sets Authenticated SMTP login User Name.
SERIN2 RX ,6,2500,EMAIL_SET,[WAIT("I/OK")]
' Put code here to email low temperature warning via WiFi
SEROUT2 TX,6,["AT+iEMA:",$d,$a] 'Defines a plain text e-mail body
SEROUT2 TX,6,["HI, THIS IS FROM 206 N Veterans.",$d,$a]
SEROUT2 TX,6,["SENT EVERY 2 minutes.",$d,$a]
SEROUT2 TX,6,["THE TEMPERATURE IS.",$d,$a]
SEROUT2 TX,6,[DEC temp," F Inside.",$d,$a]
SEROUT2 TX,6,["GO TO:",$d,$a]
SEROUT2 TX,6,["
http://www.lodestarassoc.com/ichip/ichip.html",$d,$a]
SEROUT2 TX,6,["FOR A ONE MINUTE UPDATE.",$d,$a]
'After successfully sending the e-mail, IF the stay online flag (!) IS specified.
SEROUT2 TX,6,[$d,$a,".",$d,$a]
SERIN2 RX,6,[WAIT("I/ONLINE")]
PAUSE 1000
'SEROUT2 PORTC.0,16468,["EMAIL SENT ",$d,$a] 'test not used
WRITE 5,$01 ' Write 1 to EEPROM as test if Email sent
' Blink Green LED 2x long after email sent
FOR I = 0 TO 1
TOGGLE LED_GRN
PAUSE 1000
TOGGLE LED_GRN
PAUSE 1000
NEXT
PAUSE 2000
RETURN