"Function Generator" Triangular Wave disturb


Closed Thread
Results 1 to 10 of 10

Hybrid View

  1. #1
    Join Date
    Jul 2003
    Posts
    2,405


    Did you find this post helpful? Yes | No

    Default

    Latest PBP manual. Page #113 states 40, 48, 64MHz OSC, "PIC18Xxxxx only" is 1uS.
    25, 32, 33MHz is 2uS.
    Regards,

    -Bruce
    tech at rentron.com
    http://www.rentron.com

  2. #2
    Join Date
    Mar 2006
    Location
    INDIA
    Posts
    89


    Did you find this post helpful? Yes | No

    Smile

    Hi
    Thanks sir Bruce.

    I am in fault.
    i wrote Pause 1 instead of PAUSEUS 1 after "Init_Triangluar:"

    Thanks skimask and Acetronics.
    I was reading manual. and sir bruce solved .......

    There are no enough mind after bonding of straingage on 50 torque sensor in a day ....
    Oh...

    Thanks again, its working.

  3. #3
    Join Date
    May 2004
    Location
    NW France
    Posts
    3,653


    Did you find this post helpful? Yes | No

    Default

    a little spike here,may be ?

    PORTD=200
    PAUSEUS 1
    PORTD=225
    PAUSEUS 1
    PORTD=255 ... should not be 250 ???
    PAUSEUS 1
    PORTD=225
    PAUSEUS 1
    PORTD=200
    did you try :

    Code:
    Init_Triangluar:  TRISD=$00                             'PortD an Output Port
                      PORTD=0                               'Triangle-Wave at PortD
                                                            'Starting with Decimal 0 out of 255
                                                            'of the Maximum Output Voltage.
                                                        
                       PAUSEUS1                              'instead of PAUSE 1
                             		                '10 micro-seconds, in
    PS : didn't notice the 40Mhz Define ... sorry !
    ************************************************** ***********************
    Why insist on using 32 Bits when you're not even able to deal with the first 8 ones ??? ehhhhhh ...
    ************************************************** ***********************
    IF there is the word "Problem" in your question ...
    certainly the answer is " RTFM " or " RTFDataSheet " !!!
    *****************************************

  4. #4
    Join Date
    Mar 2006
    Location
    INDIA
    Posts
    89


    Did you find this post helpful? Yes | No

    Default

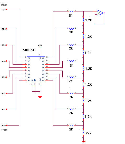
    Yes Acetronics, Overall Shape is distressed ( in ladder ways ). I thought there is problem in D/A converter or in OP Amp OP07 ?

    circuit attached.

    Thanks
    Attached Images Attached Images  

  5. #5
    Join Date
    May 2004
    Location
    NW France
    Posts
    3,653


    Did you find this post helpful? Yes | No

    Lightbulb

    Do you have a symmetrical AND > 7 v supply for the OP07 ???

    might be compulsory ...

    or try a rail/rail AOP ...

    Alain
    ************************************************** ***********************
    Why insist on using 32 Bits when you're not even able to deal with the first 8 ones ??? ehhhhhh ...
    ************************************************** ***********************
    IF there is the word "Problem" in your question ...
    certainly the answer is " RTFM " or " RTFDataSheet " !!!
    *****************************************

  6. #6
    skimask's Avatar
    skimask Guest


    Did you find this post helpful? Yes | No

    Default

    Quote Originally Posted by Bruce View Post
    Latest PBP manual. Page #113 states 40, 48, 64MHz OSC, "PIC18Xxxxx only" is 1uS.
    25, 32, 33MHz is 2uS.
    Good point! Another update/change I hadn't noticed

Similar Threads

  1. how to generate triangular wave.....
    By kvrajasekar in forum mel PIC BASIC Pro
    Replies: 6
    Last Post: - 11th September 2008, 18:16

Members who have read this thread : 0

You do not have permission to view the list of names.

Posting Permissions

  • You may not post new threads
  • You may not post replies
  • You may not post attachments
  • You may not edit your posts