sms send sht11 pic16f876 nokia 6210


Closed Thread
Results 1 to 12 of 12

Hybrid View

  1. #1
    Join Date
    Apr 2008
    Posts
    23

    Default sms send sht11 pic16f876 nokia 6210

    Hello friends.Please could you help me.
    How can I send sms with sht11 and pic16f876.I want send sms alarm of
    temperature and humidity with nokia 6210.If under or on regulated alarm of the
    temperature or humidity ,nokia 6210 send sms me.
    How can I make this circuit and pic software.
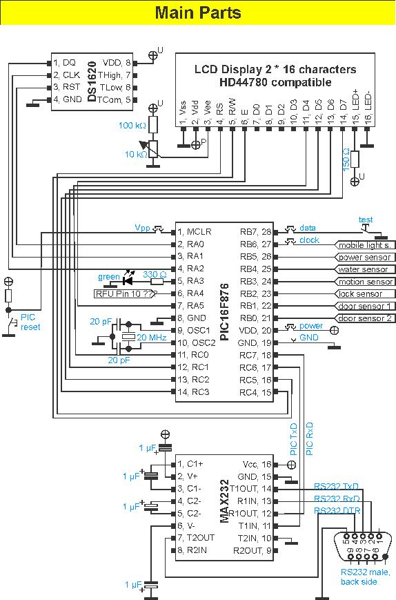
    The sample with regulated alarm thermometer and humidity circuit is this on
    address.http://www.imageturk.com/goster.php?...42236baae1.JPG
    which mobil phone must I use.Can I use nokia 6210.
    Thank you for your helping.Best regards.
    The alarm is open,ISI(temperature) ALT(under) and ISI(temperature) UST(on)
    with NEM(humidity) ALT(under) and NEM(humidity) UST(on)
    between outside.Two between alarm is closed.
    Sample : If alarm 23 - 20 between,alarm is closed.If temperature 19 alarm open.

    '************************************************* ***************
    '* Name : TERMONEMALRM.BAS *
    '* Author : [USER] *
    '* Notice : Copyright (c) 2008 [USER] *
    '* : All Rights Reserved *
    '* Date : 09.04.2008 *
    '* Version : 1.0 *
    '* Notes : The alarm is open,ISI(temperature) ALT(under) and ISI(temperature)

    UST(on) with NEM(humidity) ALT(under) and NEM(humidity) UST(on)
    between outside.Two between alarm is closed*
    '*Sample : If alarm 23 - 20 between,alarm is closed.If temperature 19 alarm open*
    '************************************************* ***************
    http://dosyayukle.info/index.php?p=d...h=VpSY4G6mywpP
    Last edited by elektoro2009; - 8th April 2008 at 22:25.

  2. #2
    Join Date
    Apr 2008
    Posts
    23

    Default be continued

    Last edited by elektoro2009; - 8th April 2008 at 22:24.

  3. #3
    Join Date
    Apr 2008
    Posts
    23

    Default be continued

    Last edited by elektoro2009; - 8th April 2008 at 22:25.

  4. #4
    Join Date
    Apr 2008
    Posts
    23

    Default another sampe circuit

    another sampe circuit :http://www.imageturk.com/goster.php?...1be2ef9e1e.JPG
    How can I use this software for my regulated alarm thermometer circuit.
    asm software here:http://dosyayukle.info/index.php?p=d...h=XXeuMX84TZtc
    Last edited by elektoro2009; - 8th April 2008 at 22:28.

  5. #5
    Join Date
    Apr 2008
    Posts
    23

    Default be continued

    Last edited by elektoro2009; - 8th April 2008 at 22:29.

  6. #6
    Join Date
    Apr 2008
    Posts
    23

    Default be continued

    Last edited by elektoro2009; - 8th April 2008 at 22:29.

Similar Threads

  1. Active low input?
    By CosMecc in forum mel PIC BASIC Pro
    Replies: 14
    Last Post: - 8th August 2010, 21:31
  2. Please send me a SMS program
    By hjcool in forum GSM
    Replies: 7
    Last Post: - 17th June 2009, 11:33
  3. Sending SMS with Nokia 3210/3310
    By RFsolution in forum mel PIC BASIC Pro
    Replies: 6
    Last Post: - 6th March 2009, 14:48
  4. Sending SMS with Nokia 6210 using PICF819
    By stuart_penman in forum mel PIC BASIC Pro
    Replies: 2
    Last Post: - 16th October 2008, 16:08
  5. Problem with RX from Nokia 6210 ?
    By iugmoh in forum GSM
    Replies: 6
    Last Post: - 21st May 2008, 00:48

Members who have read this thread : 0

You do not have permission to view the list of names.

Posting Permissions

  • You may not post new threads
  • You may not post replies
  • You may not post attachments
  • You may not edit your posts