How I can make clock using 7segment


Closed Thread
Results 1 to 3 of 3
  1. #1
    Join Date
    Mar 2008
    Posts
    2

    Question How I can make clock using 7segment

    please any one help me

    I want make clock use 7segment in pic project

    Pleas any one help me
    Give circuit or the program for this project
    Pleas help


    thanks

  2. #2
    skimask's Avatar
    skimask Guest


    Did you find this post helpful? Yes | No

    Default

    Quote Originally Posted by ramzy_sk View Post
    please any one help me
    Give circuit or the program for this project
    So, do you want help, or a freebie?
    Try doing a search on these forums. There's loads of examples on how to do this.

  3. #3
    Join Date
    Mar 2008
    Posts
    2


    Did you find this post helpful? Yes | No

    Smile thank for all

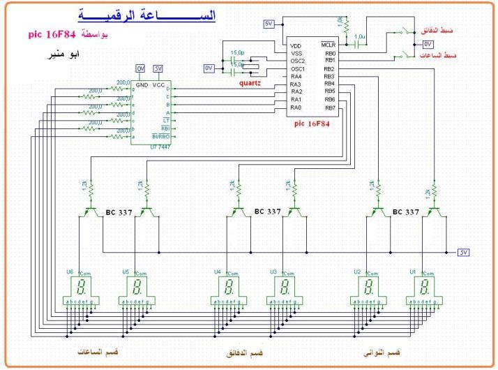
    I found this circuit in arabian webside
    and it have the programe use pic16f84a
    if some one want mor information

    http://www.qariya.com/vb/showthread.php?t=12385&page=3

    Thanks
    Attached Images Attached Images  

Similar Threads

  1. Replies: 2
    Last Post: - 1st May 2009, 08:23
  2. reducing shiftout clock freq and PS2/PC interfacing ....
    By wireless magic in forum mel PIC BASIC Pro
    Replies: 18
    Last Post: - 26th February 2008, 20:15
  3. Shiftout/in
    By BobEdge in forum mel PIC BASIC Pro
    Replies: 5
    Last Post: - 23rd August 2007, 11:48
  4. Help with sound command in 2 programs
    By hyperboarder in forum mel PIC BASIC Pro
    Replies: 4
    Last Post: - 5th July 2007, 20:36
  5. Replies: 7
    Last Post: - 26th April 2007, 08:30

Members who have read this thread : 0

You do not have permission to view the list of names.

Posting Permissions

  • You may not post new threads
  • You may not post replies
  • You may not post attachments
  • You may not edit your posts