
Originally Posted by
G-R-C
Any idea why yours only has a few inches of depth detection?
Wonder if the pick-up coil senstivity can be increased/decreased.
Gordon
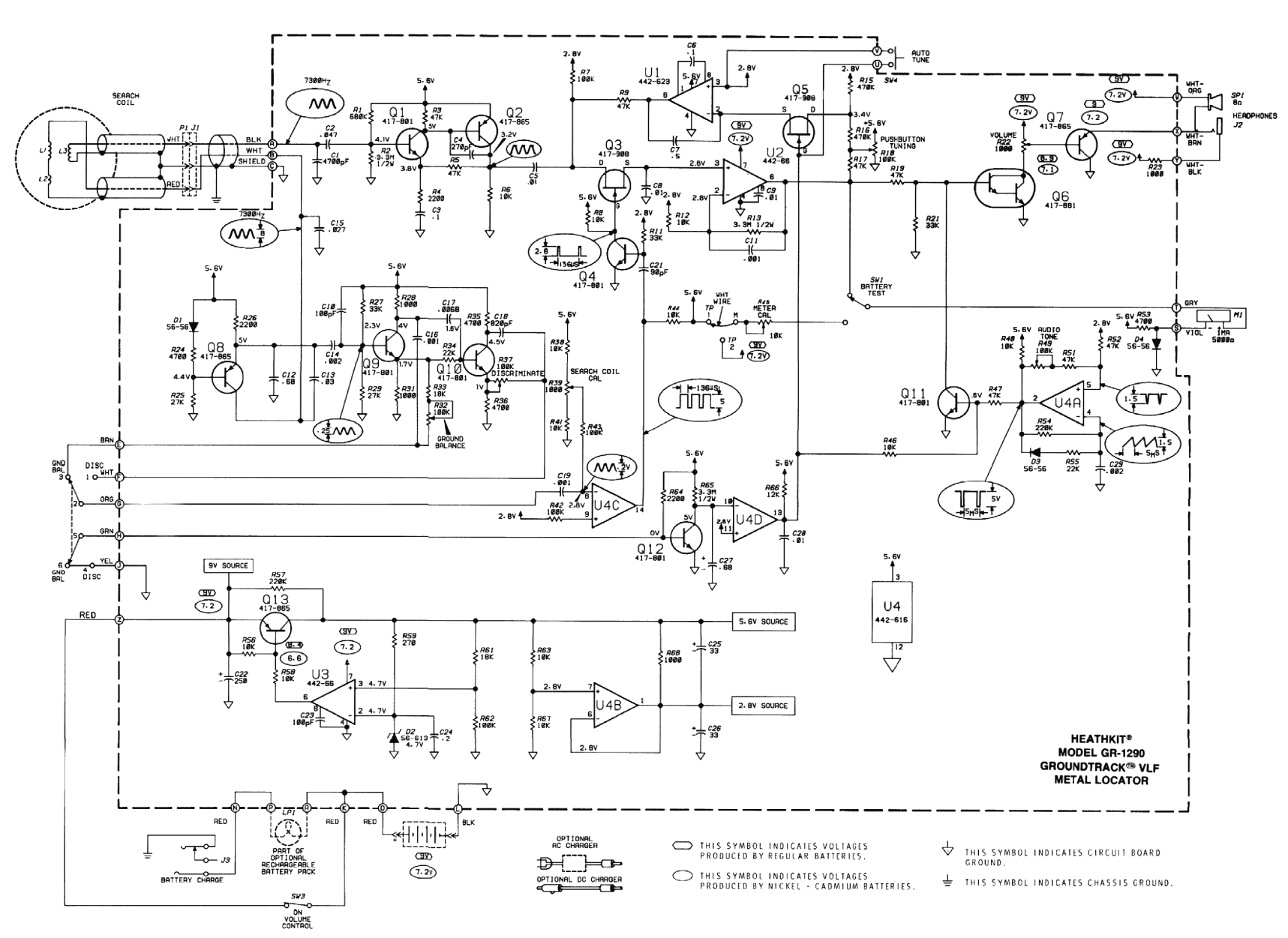
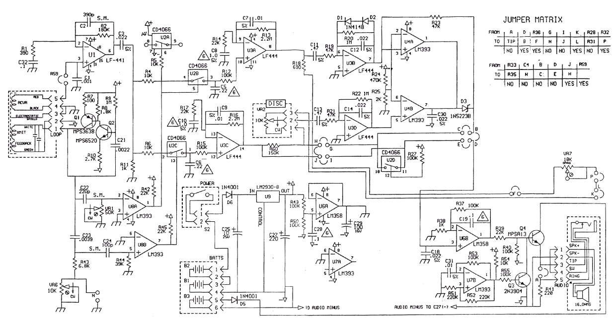
I have a couple of Ideas. There are basicly 2 types of metal detectors, the TR type( transmit / receive ) and the BFO ( beat frequency Oscillator ) and are used for direrent reasons. The TR type for deep detection uses 2 coils oriented 90 degrees from each other and spaced several feet apart, whereas the bfo usually has a small coil inside and to the front or rear of a larger coil. The larger the coils, the deeper they will search. Metal which has had time to corrode a little will cause the detector to sense it more readily. There are TR type detectors which have coils like the BFO, units and these can be tuned to ignore iron or alum. but if tuned to ignore alum, they will also ignore gold and silver. Many good articles in Rock And Gem magazine about metal detectors, check ebay for back issues.
JS
If you do not believe in MAGIC, Consider how currency has value simply by printing it, and is then traded for real assets.
.
Gold is the money of kings, silver is the money of gentlemen, barter is the money of peasants - but debt is the money of slaves
.
There simply is no "Happy Spam" If you do it you will disappear from this forum.
Bookmarks