
Originally Posted by
flotulopex
Well,
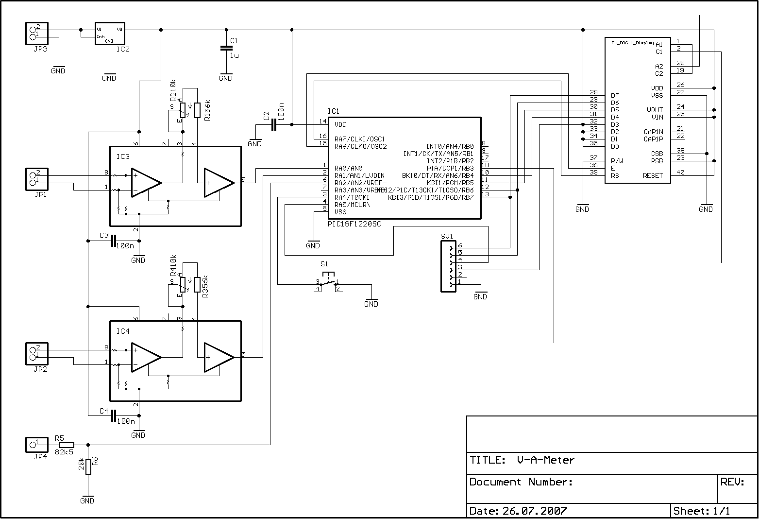
I got an answer from EA. They say they don't have any negative feedback about their displays. I shall send them my program and a picture (already done).
I fully checked my PIC with LEDs and it's okay whithout any doubt.
I have recabled the circuit with coloured wires to make it easy to see if I miss something obvious to you (see attachments).
Thats much clearer 
Would I really have killed 2 displays???
Hard to say. There is a line in the datasheet that says "Note that the COG technology means that the current capacity of the outputs is limited." It may also mean that COG technology is more susceptable to damage from static electricity.
With a breadboarded circuit there is always a possiblility of accidental shorts and also open circuits. Some devices can be damaged if a voltage is applied to pins when the device itself is unpowered. A loose connection could cause that situation to arise.
I somehow killed some pins on a PIC16F88 but to my knowledge I didnt do anything that was likely to have damaged it. Likewise I have also had solder bridges and other accidental shorts that you would expect to cause damage and things survive.
Its one of the great mysteries !!!!
Keith
www.diyha.co.uk
www.kat5.tv
Bookmarks