Hello - I want to monitor and display AC voltage (120V 60Hz). I have scoured all the posts that I could find that dealt with AC and was not able to come up with exactly what I am interested in. I found some that got close but then fizzled out...
I am interested in monitoring my line voltage over the a range of 120V +/- 5V (115 - 125V) and I only need a resolution of 1 V. I am not interested in voltages out of this range.
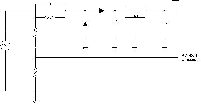
If I feed my 120V through a transformer, rectify it and get it to a voltage (<5VDC) to feed into a PIC ADC (10 bit), will this work?
The math works: Let's say I have 5V DC output that represents 125V AC input. At 10 Bits ADC resolution, that means that 1 bit (step) = 4.9 mV DC or 122.5 VAC. A drop of 1 V AC input to 124V AC would equate to 40 mV DC drop from 5 V to 4.96 VDC. This easily gives me the resolution that I need.
I guess my question is if the circuit as described above will give me the response that I need. Is there a way to do this without a transformer (like the transformerless power supply)? I realize the safety implications but I want to keep this as small as possible.
Thanks!




Bookmarks