Using Nokia LCD - Page 6


Closed Thread
Page 6 of 8 FirstFirst ... 2345678 LastLast
Results 201 to 240 of 301

Thread: Using Nokia LCD

  1. #201
    Join Date
    Oct 2010
    Posts
    413


    Did you find this post helpful? Yes | No

    Default Re: Using Nokia LCD

    Hi Gusse,

    thanks for your answer. That means that when i also get an error "cannot open inc file" the time i try to compile, it has to do with the 628a?

    Sorry for my silly question but cannot understant why is not compatible.

  2. #202
    Join Date
    Dec 2007
    Location
    Finland
    Posts
    191


    Did you find this post helpful? Yes | No

    Default Re: Using Nokia LCD

    Is your inc-file in the same folder where you have your main pbp-file?
    Code:
    INCLUDE "LCD_3310v4.inc"
    If no, then you should include path to file before inc-file.
    If yes, then I don't know why you get this error message. Is syntax or file name OK?

    I think, it has nothing to do with 628A.

    BR,
    -Gusse-

  3. #203
    Join Date
    Oct 2010
    Posts
    413


    Did you find this post helpful? Yes | No

    Default Re: Using Nokia LCD

    it is in the same folder.

    I will try once more. the code and the syntax are also ok.

    thanks for your time.

    If i have any news i will let you know.

  4. #204
    Join Date
    Oct 2010
    Posts
    413


    Did you find this post helpful? Yes | No

    Default Re: Using Nokia LCD

    hi all again,

    i see that a lot of you having problem to write on the nokia lcd using the pic16f628a.

    i'm also stragling to do it and i havent been able to fix my problems.

    i'm trying to use the following files from the page http://www.picbasic.co.uk/forum/cont...Nokia-3310-LCD but no luck.

    a very simple code i'm trying to display is the following.

    Code:
    DEFINE OSC 4
    
    @ DEVICE pic16F628A, INTRC_OSC, WDT_OFF, PWRT_OFF, BOD_OFF, MCLR_ON, LVP_OFF, CPD_OFF, PROTECT_OFF 
    
    include "modedefs.bas"
    include "LCD_3310.pbp"
    
    
            TRISB = %00011100        			'portB configuration  0=out 1=in
            TRISA = %10100000        			'portA configuration
            PortA = %11100000        
            CMCON = 7                		
            VRCON = 0                		
            INTCON = 0              
    
    OPTION_REG=%00000111   					'weak pullups on, TMRO prescale = 256
                                                    
    Lcd_DC      var PortB.0 
    Lcd_SDA     var PortA.3
    Lcd_RST     var PortA.4
    Lcd_CLK     var PortA.2
    
    start:
    
    @ PrintStr  0,0, "I love being"
    @ PrintStr  0,1, "able to print "
    @ PrintStr  0,2, "so easily!"
    
    goto start
    i will post later on the full code using the pic16f628a. It is seems that is been compiled but i dont see anything on the screen. I have checked connection and everything is ok.

    I have also checked the nokia lcd with a circuit that work and didnt see a problem.

  5. #205
    Join Date
    Dec 2008
    Location
    Ploiesti, ROMANIA
    Posts
    582


    Did you find this post helpful? Yes | No

    Default Re: Using Nokia LCD

    Maybe must to do this in your "LCD_3310.pbp" file :
    Code:
    'Port Mapping                   'Change to match your application
    Lcd_CLK         VAR Portc.3     'LCD Clock
    Lcd_DC          VAR Portf.6     'LCD Data/Command
    Lcd_SCE          VAR Portf.7     'LCD Chip Enable
    Lcd_RES         VAR Portd.3     'LCD Reset
    'Lcd_VCC         VAR Porte.2     'LCD Power (always powered for this hardware)
    Lcd_SDO         VAR Portc.5     'LCD Data
    I use a lot of 16F628A (and 648A) in my projects (see http://www.picbasic.co.uk/forum/show...204#post103204 and topic) and works verry fine !

  6. #206
    Join Date
    Oct 2010
    Posts
    413


    Did you find this post helpful? Yes | No

    Default Re: Using Nokia LCD

    fratello,

    thank you very much for your info and nice to meet you.

    I've read all the articles here from you.

    I only want to use the Nokia LCD for one of my RFID projects.

    Nokia LCDs are fearly cheap and hopefully i manage to get them work.

    Once i go home i will try to change as you suggested.

    thanks again.
    Code:
    Lcd_DC      var PortB.0 
    Lcd_SDA     var PortA.3
    Lcd_RST     var PortA.4
    Lcd_CLK     var PortA.2
    with this

    Code:
    'Port Mapping                   'Change to match your application
    Lcd_CLK         VAR Porta.2    'LCD Clock
    Lcd_DC          VAR Portb.0     'LCD Data/Command
    Lcd_SCE          VAR Port     'LCD Chip Enable ??? here i also need to assign a port for enable??? or this goes to ground?
    Lcd_RES         VAR Porta.4     'LCD Reset
    'Lcd_VCC         VAR Port?     'LCD Power (always powered for this hardware) any port assigned to give power????
    Lcd_SDO         VAR Porta.3    'LCD Data
    Last edited by astanapane; - 14th June 2011 at 15:58.

  7. #207
    Join Date
    Dec 2008
    Location
    Ploiesti, ROMANIA
    Posts
    582


    Did you find this post helpful? Yes | No

    Default Re: Using Nokia LCD

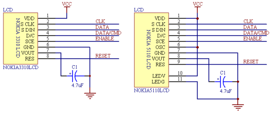
    I ALWAYS use this LCD with SCE to ground . Try to find Nokia 5110 display ; it's more easy to "interfacing".
    LE : I don't use LCD_VCC from PIC's. Just be careful to power with maxim 3.3 volts !!! Now I use this (second) schematic, with good results !
    Attached Images Attached Images   
    Last edited by fratello; - 14th June 2011 at 16:52.

  8. #208
    Join Date
    Oct 2010
    Posts
    413


    Did you find this post helpful? Yes | No

    Default Re: Using Nokia LCD

    i will follow your schematics,

    i will post what error i get now after compiling the following program

    Code:
    DEFINE OSC 4
    @ device  P16F628A
    @ __INTRC_OSC, WDT_OFF, PWRT_OFF, BOD_OFF, MCLR_ON, LVP_OFF, CPD_OFF, PROTECT_OFF 
    
    include "modedefs.bas"
    include "3310.inc"
    
            TRISB = %00011100        			'portB configuration  0=out 1=in
            TRISA = %10100000        			'portA configuration
            PortA = %11100000        
            CMCON = 7                		
            VRCON = 0                		
            INTCON = 0                  		              
    
    OPTION_REG=%00000111   					'weak pullups on, TMRO prescale = 256
    
    
    start:
    
    @ PrintStr  0,0, "I love being"
    @ PrintStr  0,1, "able to print "
    @ PrintStr  0,2, "so easily!"
    
    goto start
    Last edited by astanapane; - 14th June 2011 at 18:19.

  9. #209
    Join Date
    Oct 2010
    Posts
    413


    Did you find this post helpful? Yes | No

    Default Re: Using Nokia LCD

    i get the following error
    Attached Images Attached Images  
    Last edited by astanapane; - 14th June 2011 at 18:29.

  10. #210
    Join Date
    Sep 2004
    Location
    montreal, canada
    Posts
    6,898


    Did you find this post helpful? Yes | No

    Default Re: Using Nokia LCD

    1. Must use MPASM to compile
    2. You need to change the way you set the config fuses, check the FAQ.
    3. I've never used this program, so I can't tell if this will grandpa 16F628's codespace, may need to use a 'bigger' one.
    Steve

    It's not a bug, it's a random feature.
    There's no problem, only learning opportunities.

  11. #211
    Join Date
    Dec 2008
    Location
    Ploiesti, ROMANIA
    Posts
    582


    Did you find this post helpful? Yes | No

    Default Re: Using Nokia LCD

    @ DEVICE pic16F628A, intOSC_osc_noclkout, WDT_OFF, PWRT_OFF, BOD_OFF, MCLR_ON

  12. #212
    Join Date
    Sep 2004
    Location
    montreal, canada
    Posts
    6,898


    Did you find this post helpful? Yes | No

    Default Re: Using Nokia LCD

    NO! that's PBP syntax, he must use MPASM syntax...
    Steve

    It's not a bug, it's a random feature.
    There's no problem, only learning opportunities.

  13. #213
    Join Date
    Oct 2010
    Posts
    413


    Did you find this post helpful? Yes | No

    Default Re: Using Nokia LCD

    when i compile with PBP the following

    Code:
    DEFINE OSC 4 
    @ DEVICE pic16F628A, intOSC_osc_noclkout, WDT_OFF, PWRT_OFF, BOD_OFF, MCLR_ON
    include "modedefs.bas"
    include "3310.inc"
    
    TRISB = %00011100        			'portB configuration  0=out 1=in
    TRISA = %10100000        			'portA configuration
    PortA = %11100000        
    CMCON = 7                		
    VRCON = 0                		
    INTCON = 0                  		              
    
    OPTION_REG=%00000111   					'weak pullups on, TMRO prescale = 256
    
    
    start:
    
    @ PrintStr  0,0, "I love being"
    @ PrintStr  0,1, "able to print "
    @ PrintStr  0,2, "so easily!"
    
    goto start
    i get the attached error
    Attached Images Attached Images  

  14. #214
    Join Date
    Oct 2010
    Posts
    413


    Did you find this post helpful? Yes | No

    Default Re: Using Nokia LCD

    when i compile with MPASM

    i get EEADRH erros how can i correct it? please help. I think i will never manage to use my nokia lcd

  15. #215
    Join Date
    Oct 2010
    Posts
    413


    Did you find this post helpful? Yes | No

    Default Re: Using Nokia LCD

    i would like to mention also that the nokia LCD i have is the nokia 5110 which does not have the Vout pin. (if that helps)

  16. #216
    Join Date
    Sep 2004
    Location
    montreal, canada
    Posts
    6,898


    Did you find this post helpful? Yes | No

    Default Re: Using Nokia LCD

    Seems you're out of codespace... choose another PIC (like PIC16F877) and see if this compile.
    Steve

    It's not a bug, it's a random feature.
    There's no problem, only learning opportunities.

  17. #217
    Join Date
    Oct 2010
    Posts
    413


    Did you find this post helpful? Yes | No

    Default Re: Using Nokia LCD

    ok i will try later in the afternoon. But i just included the 3310.inc file and i just used @ print command. The 3310 took all the space from the pic?

    is there any way to eliminate the 3310.inc and just take small bits from it in order to use only the @ print command.

    My goal is to use it for the RFID tag number. I have done it with 2x16 lcd very simple with uLCD from 4D systems and now i would like to use Nokia lcd because is inexpensive compare to uLCD.

  18. #218
    Join Date
    Dec 2007
    Location
    Finland
    Posts
    191


    Did you find this post helpful? Yes | No

    Default Re: Using Nokia LCD

    Your PIC cannot use READCODE command.
    READCODE: Some PIC16Fxxx and PIC18Xxxxx devices allow program code to be read at run-time. This may be useful for additional data storage or to verify the validity of the program code.
    .MAC -file contains:
    Code:
    READCODE?TB macro Regin, Bitin, Bout
            MOVE?TB Regin, Bitin, EEADR
        clrf    EEADRH
            L?CALL  READCODE
            MOVE?AB Bout
        endm
    READCODE_USED = 1
    And if you check from PIC16F627A/628A/648A datasheet, there is no EEADRH register in the these PICs (reason for error). Therefore you cannot use Scalerobotics (Walter's) great addon (=@ PrintStr) as it is now.

    Also other note about READCODE
    For PIC16F devices, 14-bit-sized data can be read from word code space Addresses.
    Code:
    Addr  VAR WORD
    Variable cannot be WORD.

    Easiest is to change to some other PIC, which support READCODE (e.g 16F8/74A/76A etc...) and which have also more code space

    BR,
    -Gusse-
    Last edited by Gusse; - 15th June 2011 at 09:39.

  19. #219
    Join Date
    Oct 2010
    Posts
    413


    Did you find this post helpful? Yes | No

    Default Re: Using Nokia LCD

    Hi gusse,

    thanks, so that means that i cannot use any of the pic16f628a or a small pic 12f629.

    I have seen fratello that used the pic but he didnt use the READCODE command.

    Not using a small pic for such a simple code is annoying.

    I will try with a bigget pic.

    In case i want to print the number of the RFID tag do i need the READCODE command to my program?

    If i can avoid or use other method to print letter as a label like fratello did then i might be able to use a small pic.

    Thanks all of you for helping. And really sorry for my questions again.

  20. #220
    Join Date
    Dec 2007
    Location
    Finland
    Posts
    191


    Did you find this post helpful? Yes | No

    Default Re: Using Nokia LCD

    You can always use the old way to print LCD
    Instead of
    Code:
    @ PrintStr  0,0, "HELLO"
    use
    Code:
    PosX=0:PosY=0:Gosub Lcd_GotoXY
    Lcd_Data = "H"   
    Gosub Lcd_SendChar
    Lcd_Data = "E"   
    Gosub Lcd_SendChar
    Lcd_Data = "L"   
    Gosub Lcd_SendChar
    Lcd_Data = "L"   
    Gosub Lcd_SendChar
    Lcd_Data = "O"   
    Gosub Lcd_SendChar
    and remove "@ PrintStr" -part from LCD_3310 -file.

    BR,
    -Gusse-

    BTW, "Edit Post" time could be a little bit longer. Couple of hours would be OK. Any changes to get this changed?
    Last edited by Gusse; - 15th June 2011 at 10:27.

  21. #221
    Join Date
    Oct 2010
    Posts
    413


    Did you find this post helpful? Yes | No

    Default Re: Using Nokia LCD

    i will follow your suggestion. Because right now i'm at work i will try that in the afternoon.

    thanks again. I will let you all know for my results.

  22. #222
    Join Date
    Oct 2010
    Posts
    413


    Did you find this post helpful? Yes | No

    Default Re: Using Nokia LCD

    i tried to write simpler the code but seems that the pic doesnt work. I also tried with bigger pic.

    thank you all for your help. Its me that i cannot make it.

    thanks again for your time.

  23. #223
    Join Date
    Dec 2008
    Location
    Ploiesti, ROMANIA
    Posts
    582


    Did you find this post helpful? Yes | No

    Default Re: Using Nokia LCD

    Try this simple code ( http://www.picbasic.co.uk/forum/show...2927#post72927 ) , using 16F628A.

  24. #224
    Join Date
    Oct 2010
    Posts
    413


    Did you find this post helpful? Yes | No

    Default Re: Using Nokia LCD

    thanks fratello,

    i will give the last try. What i have noticed, is that the 3310.inc cause a problem to pic16f628a, and its is not working at all.

    I did used on my code the following just to see if the LED flashes but no luck.

    for example:

    high LED
    pause 100
    low LED
    pause 100

    When i created a new pbp file on a different folder without the inc file included, my code was working.

    Strange.

  25. #225
    Join Date
    Sep 2004
    Location
    montreal, canada
    Posts
    6,898


    Did you find this post helpful? Yes | No

    Default Re: Using Nokia LCD

    Please, post your whole code and specify which version of the include you're using. There seems to have a couple of version 'round. Best thing attach your both file here as .TXT file.

    This LCD seems fun to work with,I see the .INC could be tweaked in many ways. What I'll do is to order one, and see how this lib could be modified to use with other PICs. I should have it next week.
    Steve

    It's not a bug, it's a random feature.
    There's no problem, only learning opportunities.

  26. #226
    Join Date
    Oct 2010
    Posts
    413


    Did you find this post helpful? Yes | No

    Default Re: Using Nokia LCD

    Thanks Steve,

    i didnt have a time yesterday to play with, because i came back home from work and was very tired. Apart from that, during the day i will post the code. Actually i have post the code before. It is very simple. I just wanted to use the @ print command with pic16f628a.

    Gusse said to use the traditional way to print a string but i didnt have a time to do it.

    this is my code:
    Code:
    DEFINE OSC 4 
    @ DEVICE pic16F628A, intOSC_osc_noclkout, WDT_OFF, PWRT_OFF, BOD_OFF, MCLR_ON
    include "modedefs.bas"
    include "3310.inc"
    
    TRISB = %00011100        			'portB configuration  0=out 1=in
    TRISA = %10100000        			'portA configuration
    PortA = %11100000        
    CMCON = 7                		
    VRCON = 0                		
    INTCON = 0                  		              
    
    OPTION_REG=%00000111   					'weak pullups on, TMRO prescale = 256
    
    
    start:
    
    @ PrintStr  0,0, "I love being"
    @ PrintStr  0,1, "able to print "
    @ PrintStr  0,2, "so easily!"
    
    goto start
    The version of the INC file i use is the last one from that page.
    http://www.picbasic.co.uk/forum/cont...Nokia-3310-LCD

    Regards,

    if you get the LCD, and you find the way, i will be much appreciated to see your work.

    I just want to print somehow letters (or a small image as DATA) using any small pic like 16f628 or 16f88 or smaller.

    My project is to print the value (number of the RFID TAG) using the nokia 5110 lcd.

    I have done this project using 2x16 lcd and the uLCD 128x128 from 4D systems. That was easy because both of the displays have parallel and serial interfaces, and for 2x16 picbasicpro has a library for them.

    Regards,

  27. #227
    Join Date
    Nov 2003
    Location
    Greece
    Posts
    4,175


    Did you find this post helpful? Yes | No

    Default Re: Using Nokia LCD

    You make a fast loop and this may cause dim display. Use a pause 1000 before goto start.

    Also how about contrast adjustment of the LCD? Maybe it is set too dim to display something.

    I have no LCD to test here, just guessing.

    Ioannis

  28. #228
    Join Date
    Oct 2010
    Posts
    413


    Did you find this post helpful? Yes | No

    Default Re: Using Nokia LCD

    Hi Ioannis,

    i will also check the contrast number and play with it.

    thanks

  29. #229
    Join Date
    Sep 2004
    Location
    montreal, canada
    Posts
    6,898


    Did you find this post helpful? Yes | No

    Default Re: Using Nokia LCD

    Everything is plausible on any PIC, however, there's some more efficient way than other to handle Strings, and some better PIC to handle it. Oh well, It should be fun.
    Steve

    It's not a bug, it's a random feature.
    There's no problem, only learning opportunities.

  30. #230
    Join Date
    Oct 2010
    Posts
    413


    Did you find this post helpful? Yes | No

    Default Re: Using Nokia LCD

    Steve,

    i will try this weekend again everything i can do with compiling and checking the display.

    When you receive yours you can also try out.

    Which kind of Nokia did you order? 5110? http://www.sparkfun.com/products/10168

    This kind of display does not have the Vop pin. Do i make any mistake on this stage?
    Attached Images Attached Images  
    Last edited by astanapane; - 17th June 2011 at 14:35.

  31. #231
    Join Date
    Dec 2008
    Location
    Ploiesti, ROMANIA
    Posts
    582


    Did you find this post helpful? Yes | No

    Default Re: Using Nokia LCD

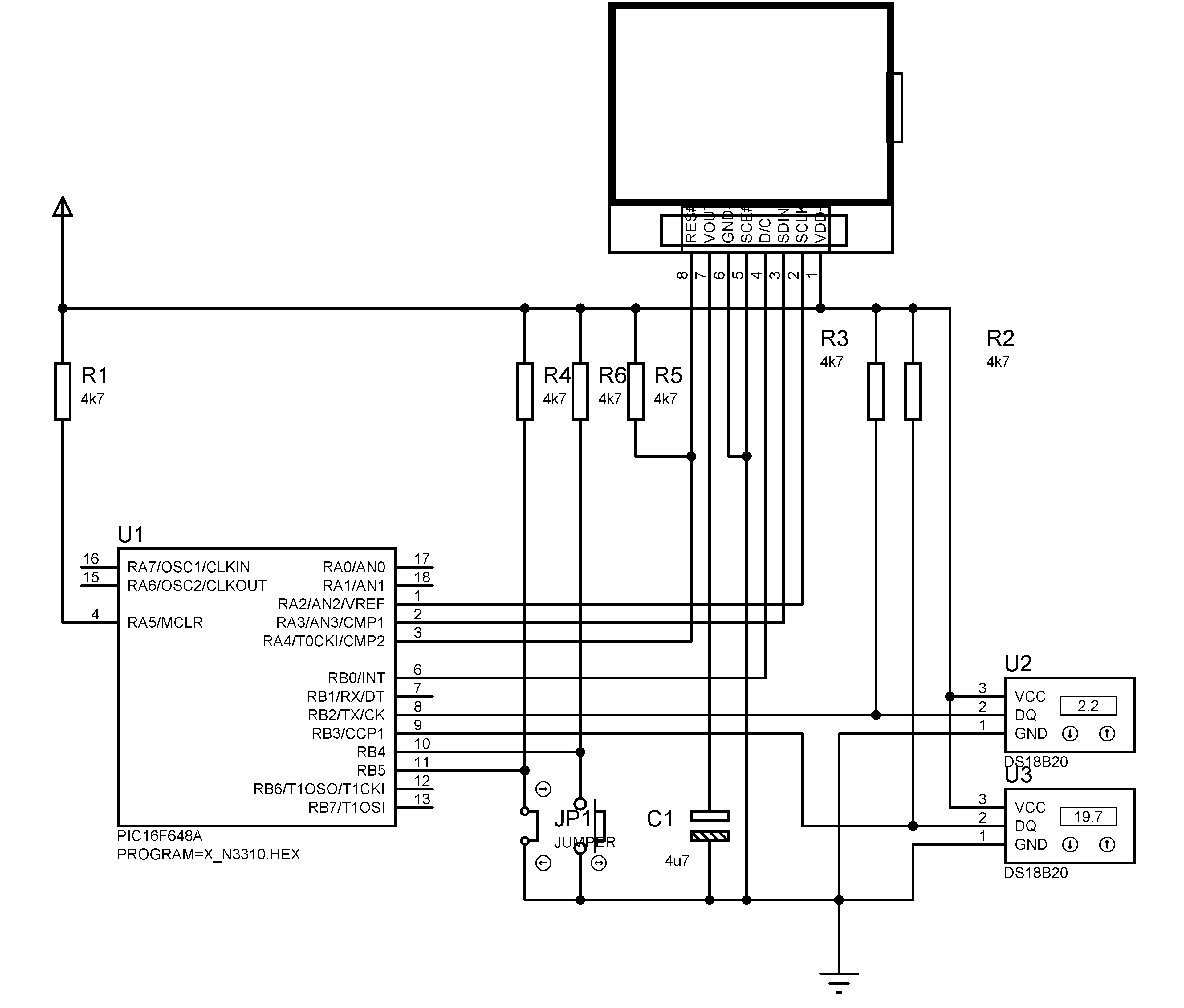
    How to connect display...
    Attached Images Attached Images  

  32. #232
    Join Date
    Sep 2004
    Location
    montreal, canada
    Posts
    6,898


    Did you find this post helpful? Yes | No

    Default Re: Using Nokia LCD

    I thought I would order that one but the other Canadian distributor I found don't have any in stock and couldn't tell me when he'll receive some more... too bad.

    I found a place near who'll have the following in stock next week, I'll pick it directly at their shop.
    http://www.inexglobal.com/downloads/glcd5110.pdf
    Steve

    It's not a bug, it's a random feature.
    There's no problem, only learning opportunities.

  33. #233
    Join Date
    Oct 2010
    Posts
    413


    Did you find this post helpful? Yes | No

    Default Re: Using Nokia LCD

    Steve,

    is the same. i like it more in blue.

    The pinout are the same.

  34. #234
    Join Date
    Oct 2010
    Posts
    413


    Did you find this post helpful? Yes | No

    Default Re: Using Nokia LCD

    on the one i have as you see there is no Vop pin. This pin as from the code i see that is connected to ground through a 4.7uf capacitor and controls the Contrast.

    The point is that on the LCd i have there is no Vop pin. So how can i control the Contrast.

    If anyone have the display 5110 nokia from sparkfun, could make it easier if he can upload the schematic and a simple code.

  35. #235
    Join Date
    Dec 2007
    Location
    Finland
    Posts
    191


    Did you find this post helpful? Yes | No

    Default Re: Using Nokia LCD

    Vop is a register in extended instruction set (see page 14, Set Vop)
    http://www.nxp.com/acrobat_download2.../PCD8544_1.pdf

    "8.9 Set VOP value" (on page 16) describes how to calculate setting value.

    Contrast is set in "Lcd_Init" section in LCD_3310 -file.
    Code:
    Lcd_Data= $c8: GOSUB Lcd_SendByte       ' SET LCD Vop (CONTRAST)
    Here it seems to be $c8, with some older I have to use $d1 and other newer might need $bf. Try to change the value and check which is best with your display.

    BR,
    -Gusse-

  36. #236
    Join Date
    Oct 2010
    Posts
    413


    Did you find this post helpful? Yes | No

    Default Re: Using Nokia LCD

    i have fixed the circuit from that page and work fine.

    http://www.radiolocman.com/shem/sche....html?di=44132

    he is using the following

    LcdReg = %00100001 'LCD Extended Commands.
    call PrintCtrlLcd
    LcdReg = %10101001 'Set LCD Vop (Contrast).
    call PrintCtrlLcd
    LcdReg = %00000110 'Set Temp coefficent.
    call PrintCtrlLcd
    LcdReg = %00010011 'LCD bias mode 1:48.
    call PrintCtrlLcd
    LcdReg = %00100000 'LCD Standard Commands, Horizontal addressing mode.
    call PrintCtrlLcd

    that means that the HEX of the Vop is $A9.

    He is also says:

    If by any chance the contrast isn't to your liking, it can be changed during the programming of Pic12F629, in the program location D2h. the current value A9h is the one I use with my LCD and don't know it will be for other LCDs. The value can be set to anything between 80 h and FFh, 80 h being minimum contrast and FFh maximum.

  37. #237
    Join Date
    Sep 2004
    Location
    montreal, canada
    Posts
    6,898


    Did you find this post helpful? Yes | No

    Default Re: Using Nokia LCD

    OK, I've finished the new Include/driver/wrapper thing here. I'll post it in the next days. Still have some improvement to do. No big changes, but probably easier to use, a tad more flexible too.

    You guys should love it

    Stay tunned!
    Steve

    It's not a bug, it's a random feature.
    There's no problem, only learning opportunities.

  38. #238
    Join Date
    Oct 2010
    Posts
    413


    Did you find this post helpful? Yes | No

    Default Re: Using Nokia LCD

    hi mister_e

    i'm looking forward to see it. Thanks.

  39. #239


    Did you find this post helpful? Yes | No

    Smile Re: Using Nokia LCD

    Hi all,

    i've been looking at this topic for some time now.
    I managed to get an original 3310 display and made some tests.

    First i tried the INC solution but i got the "Truncated to code size" errors ( using 16F88 or 16F628A ).

    Tried some examples posted here ( always changing ports to my configuration ) with a blank screen.

    Tried the test file with big numbers and it worked.

    Then moved to a 18F2550 micro-controller and once again the INC solution did not worked ( just had some ! simbols all over the place ).

    The only solution i got was to use the INC file together with Gusse's sugestion on using "Gosub Lcd_SendChar" instead of "@ PrintStr" format.

    This way works like a charm!

    Do you guys know of an 18 pin chip that would work ( since it doesnt work with the 16Fs ) ?

    Or Steve ( Mister-e ) will have a fresh new solution that will work on more chips ?

    Regards

  40. #240
    Join Date
    Sep 2004
    Location
    montreal, canada
    Posts
    6,898


    Did you find this post helpful? Yes | No

    Default Re: Using Nokia LCD

    My solution should work with anything, at compile time it decide which macro to build/compile/use.

    It should even work with many 12F... with some limitations.
    Steve

    It's not a bug, it's a random feature.
    There's no problem, only learning opportunities.

Similar Threads

  1. Nokia COLOR LCD PicBasicPro 2.50a example code
    By skimask in forum Code Examples
    Replies: 49
    Last Post: - 28th September 2011, 02:43
  2. 16f688 LCD what have I done wrong
    By spitfiredriver in forum mel PIC BASIC Pro
    Replies: 6
    Last Post: - 8th August 2009, 20:54
  3. Play with LCD on PICDEM
    By The IceMan in forum mel PIC BASIC
    Replies: 5
    Last Post: - 22nd August 2008, 17:56
  4. Need help with LCD number display.
    By Steve Matson in forum mel PIC BASIC
    Replies: 8
    Last Post: - 27th June 2007, 00:07
  5. LCD will not start
    By btaylor in forum mel PIC BASIC Pro
    Replies: 49
    Last Post: - 24th May 2007, 03:30

Members who have read this thread : 1

You do not have permission to view the list of names.

Posting Permissions

  • You may not post new threads
  • You may not post replies
  • You may not post attachments
  • You may not edit your posts