Hi Friend
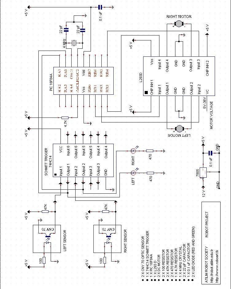
I have been design the curcuit for my first line following robot i used the 16F84A (i shown the curcuit in the attachment for my line following robot)
(http://www.picbasic.co.uk/forum/atta...1&d=1131569424)
but i dont have more information about the programing so i haven't written the codes for the my robots.My adviser said that PicBasic is fulfuling for you but i don't have enough time
COULD YOU HELP ME ???(i know that this is so simple for you)


Back up, learn to just blink an LED, then controll the LED with a simple sensor (switch), then fool around with controlling one motor, from there you can combine the modules. Before you know it you'll have your own robot design and be able to build upon it. I myself have just started on this learning curve, and believe me when I say "Take Baby steps"! The other books by David are great as well, but you need this first one to get a good feel for the PIC environment. Each PIC is different as well, so you'll need the data sheets (or should they be called books?) to go along with the PIC's you use. Good luck, the circuit isn't bad and could be simplified further, think about it.


Bookmarks