Keypad Problem


Results 1 to 1 of 1

Thread: Keypad Problem

Threaded View

  1. #1

    Default Keypad Problem

    Good day

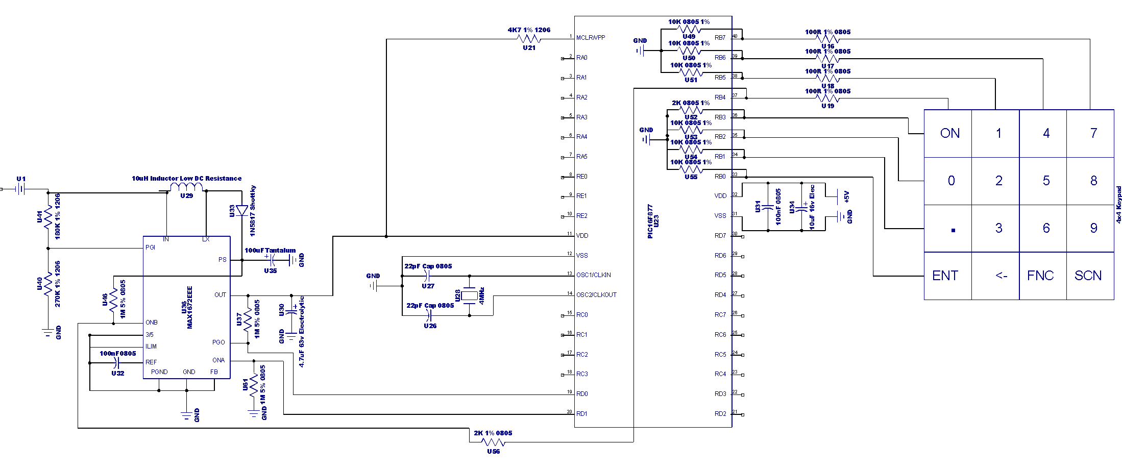
    I've struggle to get my keypad up and running (See attachment for Schematic and source code)
    I'm using a pic16F877

    The keys with ON, 1, 4, 7 on it does not work?
    Attached Images Attached Images  
    Attached Files Attached Files

Similar Threads

  1. Problem accessing keypad on PortB (LabX1, PIC 18F452)
    By scorpion4377 in forum mel PIC BASIC Pro
    Replies: 2
    Last Post: - 15th January 2009, 03:52
  2. Need help in matrix keypad coding
    By rano_zen06 in forum mel PIC BASIC Pro
    Replies: 15
    Last Post: - 24th May 2008, 13:16
  3. problem with my code
    By civicgundam in forum mel PIC BASIC Pro
    Replies: 0
    Last Post: - 3rd February 2008, 01:52
  4. Reading keypad problem
    By PostAR in forum mel PIC BASIC Pro
    Replies: 2
    Last Post: - 14th February 2007, 17:26
  5. 3x4 keypad scanning problem and others
    By pt3rg in forum mel PIC BASIC Pro
    Replies: 4
    Last Post: - 2nd December 2003, 02:21

Members who have read this thread : 0

You do not have permission to view the list of names.

Posting Permissions

  • You may not post new threads
  • You may not post replies
  • You may not post attachments
  • You may not edit your posts