Good Day
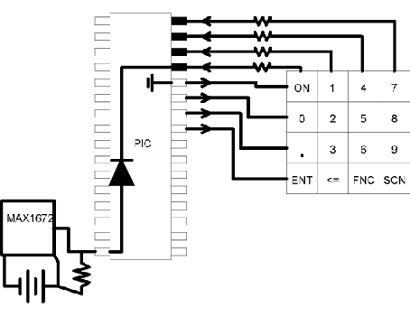
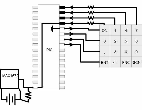
Please see Attached Drawing.
I have a MAX1672 Step Up / Down Converter to Regulate my Voltage for my circuit as well as to switch it ON and OFF.
Attached to my PIC16F877 is a Membrane Keypad with an ON button to switch my circuit ON.
This is working smoothly as the MAX1672 Put the circuit ON if I put the PIC Pin (Bottom Left) Low and OFF if it is High, so I have put a Pull Up Resistor on the PIC Pin so that it is by Default High (OFF).
If I press the ON Button on my Keypad it Pulls the Pin to Ground, switch the circuit on and then the first Line of Code I put that PIN (Bottom Left) LOW to keep the circuit ON.
This is working without a problem, but when I tried to program my keypad I get the following problem.
The top 4 Input Pins I put high and the Bottom Output Pins low, and then check for a LOW on the top 4 to find out which key was pressed.
But Because the Pin in the left bottom corner is LOW to keep the circuit on, it Pulls the one line of the keypad also to LOW, so that Line is always low.
How could I fix this Problem?




Bookmarks