Again ADC with 12F675 ...


Closed Thread
Results 1 to 30 of 30
  1. #1
    Join Date
    Dec 2008
    Location
    Ploiesti, ROMANIA
    Posts
    582

    Default Again ADC with 12F675 ...

    Hi !
    I wote this code for 12F675:
    Code:
    @ __config _XT_OSC & _WDT_OFF & _PWRTE_ON & _MCLRE_ON & _BODEN_OFF & _CP_ON 
    
    DEFINE OSC  4
    DEFINE ADC_BITS 10
    DEFINE ADC_CLOCK 3
    DEFINE ADC_SAMPLEUS 50
    
    CMCON = 7
    OPTION_REG  = %10000110
    TRISIO      = %00001100	  		
    GPIO        = %00000001
    ANSEL       = %00010100   
    ADCON0      = %10001001
    In ISIS I have multiple errors ... what did I do wrong ?
    Attached Images Attached Images  

  2. #2
    Join Date
    Oct 2005
    Location
    Sweden
    Posts
    3,621


    Did you find this post helpful? Yes | No

    Default Re: Again ADC with 12F675 ...

    Hi,
    Is that really ALL of the code?

    When you select an analog input which you want to convert the sample and hold circuit for the ADC needs to charge the S/H capacitor. It takes a certain amount of time (called acquisition time) for this capacitor to charge up. When the the A to D conversion starts the capacitor is disconnected from the input. If the A to D conversion is started before the acquisition time has expired the conversion result will not be correct.

    I'm not sure if perhaps ISIS can, based on the simulation, figure out that the acquisition time isn't long enough. I've never used ISIS (haven't been able to justify the cost) so I don't know.... From the time stamp it looks like you're doing a A to D conversion in a quite tight loop, I don't know if that's a possible problem. It think you're going to have to post more of the code.

    Finally, it's not an error, it's message telling you that it has happend. It doesn't prevent the code form compiling or from running but the behaviour of the code, as written, might not be what you actually wanted.

    /Henrik.

  3. #3
    Join Date
    Dec 2008
    Location
    Ploiesti, ROMANIA
    Posts
    582


    Did you find this post helpful? Yes | No

    Default Re: Again ADC with 12F675 ...

    Thank You so much for reply !
    The rest of code is :
    Code:
    main:
    pause 200
     ADCON0.1 = 1
     WHILE ADCON0.1 = 1 : WEND
     adval.HighByte = ADRESH
     adval.LowByte = ADRESL
     if k=0 and adval > 10 and adval < 750 then
     k=1
     pause 250
     endif
    
     while k=1
     gosub start
     wend
     goto main
    
    
    start:
    
     ADCON0.1 = 1
     WHILE ADCON0.1 = 1 : WEND
     adval.HighByte = ADRESH
     adval.LowByte = ADRESL
    if adval > 10  AND adval < 103 then gosub VolDn     
    
    return

  4. #4
    Join Date
    Oct 2005
    Location
    Sweden
    Posts
    3,621


    Did you find this post helpful? Yes | No

    Default Re: Again ADC with 12F675 ...

    Hi,

    >The rest of code is :

    Is it? You're calling VolDn but I don't see that in the code but I guess there's nothing to do with the ADC there?

    Anyway, have you tried using ADCIN just to see if the message from ISIS goes away then?
    I'm asking beacuse the DEFINE ADC_SAMPLUS 50 is for use with the ADCIN command I don't think it does anything for you when you run the ADC "manually". Alternativaly, whenever you're doing a converstion try:
    Code:
    ADCON0 = %10001001    ' Right justify, VRef=Vdd, select AN2, enable ADC.
    PAUSEUS 100     
    ADCON0.1 = 1          ' Start conversion
    WHILE ADCON0.1 = 1 : WEND
    adval.HighByte = ADRESH
    adval.LowByte = ADRESL
    In this case I don't think anything of it really matters since you're always sampling the same channel but it might be worth a try just to see if ISIS stops generating the message.

    Finally, you're doing DEFINE ADC_CLOCK 3 but then you're overriding that by manually setting ANSEL to %00010100 which will set the ADC Clock to FOsc/8 instead of FRC. I don't think that's a problem in this case though.

    /Henrik.

  5. #5
    Join Date
    Dec 2008
    Location
    Ploiesti, ROMANIA
    Posts
    582


    Did you find this post helpful? Yes | No

    Default Re: Again ADC with 12F675 ...

    Thank you verry much !
    Indeed, my mistake was the overriding of defines ...I didn't know until today the things You've posted. Hm ... so much to learn ! I'm glad I met people like You and other kindly members of this forum !
    Best regards !

  6. #6
    Join Date
    Dec 2008
    Location
    Ploiesti, ROMANIA
    Posts
    582


    Did you find this post helpful? Yes | No

    Default Re: Again ADC with 12F675 ...

    Me, again ...with something strange (at least for me) !
    I try to use ADC for reading a couple of buttons. I have two situations :
    - three buttons, with 82 ohms, 164 ohms, 1448 ohms resistors ; ADC reading = 1023 nothing pressed ; 78 with button 1 pressed ; 144 with button 2 ; 605 with button 3 ;
    - three buttons, with 300 ohms, 1300 ohms, 3110 ohms AND 100 Kohms in parallel ; ADC reading = 1013 nothing pressed ; 236 with button 1 pressed; 575 with button 2 ; 768 with button 3.

    I tried with 2 version of code (for both situations):
    Code:
     ADCON0.1 = 1
     WHILE ADCON0.1 = 1 : WEND
     adval.HighByte = ADRESH
     adval.LowByte = ADRESL
    if adval > 10  and adval < 300 then  gosub LED1
    ...etc....
    and

    Code:
    ADCIN 3, adval
    if adval > 10 and adval < 300 then gosub LED1
    ...etc...
    For first situation everything works fine, with both version of reading ADC !
    BUT ... for second situation, NOTHING HAPPENS !!! I really not understand what I do wrong ... Can me point to the right direction ? Thanks in advance !

    Name:  working.jpg
Views: 1988
Size:  98.3 KB Name:  not_working.jpg
Views: 1967
Size:  125.8 KB

  7. #7
    Join Date
    Dec 2008
    Location
    Ploiesti, ROMANIA
    Posts
    582


    Did you find this post helpful? Yes | No

    Default Re: Again ADC with 12F675 ...

    Note : In Proteus both schematic work, so I made it on PCB. First variant works just fine, second none ...

  8. #8
    Join Date
    Oct 2005
    Location
    Sweden
    Posts
    3,621


    Did you find this post helpful? Yes | No

    Default Re: Again ADC with 12F675 ...

    For the code using ADCIN, is the left/right justification set correctly? I can never remember which way around it wants it so whatever you have it set to, try changing it. And, do you have DEFINE ADCBITS 10 in there?

    /Henrik.

  9. #9
    Join Date
    Dec 2008
    Location
    Ploiesti, ROMANIA
    Posts
    582


    Did you find this post helpful? Yes | No

    Default Re: Again ADC with 12F675 ...

    Thanks for reply !
    Code:
    CMCON = 7
    OPTION_REG  = %10000110
    TRISIO      = %00001100	  		
    GPIO        = %00000001
    ANSEL       = %00010100   
    ADCON0      = %10001001
    I don't change anything in code (except values for actions) ... just the resistors from "chain" command.
    With first chain work ; with second not. It's because of 100 kOhms ?!?

  10. #10
    Join Date
    May 2004
    Location
    NW France
    Posts
    3,653


    Did you find this post helpful? Yes | No

    Default Re: Again ADC with 12F675 ...

    may be we could suspect the debounce time for your switches ... 50 µs is rather a short time !

    did you try to use a little pause for settling ???

    Alain
    ************************************************** ***********************
    Why insist on using 32 Bits when you're not even able to deal with the first 8 ones ??? ehhhhhh ...
    ************************************************** ***********************
    IF there is the word "Problem" in your question ...
    certainly the answer is " RTFM " or " RTFDataSheet " !!!
    *****************************************

  11. #11
    Join Date
    Dec 2008
    Location
    Ploiesti, ROMANIA
    Posts
    582


    Did you find this post helpful? Yes | No

    Default Re: Again ADC with 12F675 ...

    Thank you !
    That means to add something like "Pause 50" before or after ADCIN command ?

  12. #12
    Join Date
    May 2004
    Location
    NW France
    Posts
    3,653


    Did you find this post helpful? Yes | No

    Default Re: Again ADC with 12F675 ...

    Here you can find an example ( in assembler ... YES ! ) that shows how it is done.
    http://www.piclist.com/techref/micro...x4key1ad7r.htm

    did you also read that one ???
    http://www.picbasic.co.uk/forum/showthread.php?t=17956

    Alain
    Last edited by Acetronics2; - 3rd April 2015 at 11:14.
    ************************************************** ***********************
    Why insist on using 32 Bits when you're not even able to deal with the first 8 ones ??? ehhhhhh ...
    ************************************************** ***********************
    IF there is the word "Problem" in your question ...
    certainly the answer is " RTFM " or " RTFDataSheet " !!!
    *****************************************

  13. #13
    Join Date
    Dec 2008
    Location
    Ploiesti, ROMANIA
    Posts
    582


    Did you find this post helpful? Yes | No

    Default Re: Again ADC with 12F675 ...

    Thanks ! But still no have answers on my problem ...

  14. #14
    Join Date
    Dec 2007
    Location
    Finland
    Posts
    191


    Did you find this post helpful? Yes | No

    Default Re: Again ADC with 12F675 ...

    Hi Fratello,

    1) Do you have two PCB with different resistor values?
    or
    2) Have you changed resistors to same board and tested with two SW settings?

    In case
    1) there must be some other differences on PCB
    2) resistors are not with correct values

  15. #15
    Join Date
    Dec 2008
    Location
    Ploiesti, ROMANIA
    Posts
    582


    Did you find this post helpful? Yes | No

    Default Re: Again ADC with 12F675 ...

    Thanks, Mr. Gusse, for support !
    I have only one PCB, without the resistors from chain (just R2=1k is soldered on PCB, between +5V and ADC_IN).
    I put the resistors from chain 1 from R2/ADC_IN to ground ; in first case works perfect.
    Then I soldered the R9=100k from R2/ADC_IN to ground ; I put resistors from chain 2 into circuit (in parallel with R9). In this case nothing happens.
    All the resistors are measured, look to be OK (this was my first concern too ...).

    Tomorrow I'm going to try to set some debounce ...
    Attached Images Attached Images   
    Last edited by fratello; - 3rd April 2015 at 20:35.

  16. #16
    Join Date
    Dec 2008
    Location
    Ploiesti, ROMANIA
    Posts
    582


    Did you find this post helpful? Yes | No

    Default Re: Again ADC with 12F675 ...

    Update picture...
    Name:  upd.jpg
Views: 1977
Size:  135.4 KB

  17. #17
    Join Date
    Dec 2008
    Location
    Ploiesti, ROMANIA
    Posts
    582


    Did you find this post helpful? Yes | No

    Default Re: Again ADC with 12F675 ...

    SOLVED !!!
    In first case the code is :
    "If adval > 419 and adval < 536 then gosub LED" = working fine.
    In second case :
    "If adval > 450 and adval < 600 then gosub LED" = NOT working.

    So I tried this :
    "If adval < 600 and adval > 450 then gosub LED"
    And VOILA, IT'S WORKING !!!

    Thanks for support ! Regards !

  18. #18
    Join Date
    Jan 2005
    Location
    Montreal, Quebec, Canada
    Posts
    3,172


    Did you find this post helpful? Yes | No

    Default Re: Again ADC with 12F675 ...

    I don't get it. That looks identical to me.

    Robert

  19. #19
    Join Date
    Dec 2008
    Location
    Ploiesti, ROMANIA
    Posts
    582


    Did you find this post helpful? Yes | No

    Default Re: Again ADC with 12F675 ...

    For me too ... But I can prove it (by video) !
    Maybe because when no button is pressed, ADC reading is NOT 1023 ?!

  20. #20
    Join Date
    Jan 2013
    Location
    Texas USA
    Posts
    229


    Did you find this post helpful? Yes | No

    Default Re: Again ADC with 12F675 ...

    I do not know what version of PICBasic you are using or what version of MPASM either.

    I compiled and ran the following code in the MPASM Simulator and it works fine for all (3) IF/THEN statements in main.

    If adval <= 419 then myLED does not increment.
    If adval > 419 and <= 450 then myLED only increments 1 time for each loop (IF/THEN #1 : Not #2 and #3)
    if adval > 450 and < 536, then myLED increments 3 times for each loop (IF/THEN #1, #2 and #3)
    if adval => 536 and < 600 then myLED increments 2 times for each loop (IF/THEN #2 and #3 : Not #1)
    if adval => 600 then myLED does not increment.

    Code:
    'MCU = 12F675
    'PBP v3.0.7.4
    'MPASM v8.90
    
    
    DEFINE OSC  4
    DEFINE ADC_BITS 10
    DEFINE ADC_CLOCK 3
    DEFINE ADC_SAMPLEUS 50
    
    CMCON = 7
    OPTION_REG  = %10000110
    TRISIO      = %00001100	  		
    GPIO        = %00000001
    ANSEL       = %00010100   
    ADCON0      = %10001001
    
    adval var word
    myLED var word
    
    adval = 0
    myLed = 0
    
    goto main
    
    LED:
        myLED = myLEd + 1
    
        return
    
    main:
        for adval = 0 to 700
            If adval > 419 and adval < 536 then gosub LED   'Works
            If adval > 450 and adval < 600 then gosub LED   'Works
            If adval < 600 and adval > 450 then gosub LED   'Works
        next
    	myLed = 0
        
        goto main
    Regards,
    TABSoft

  21. #21
    Join Date
    Dec 2008
    Location
    Ploiesti, ROMANIA
    Posts
    582


    Did you find this post helpful? Yes | No

    Default Re: Again ADC with 12F675 ...

    Thanks !
    In Proteus my code work fine too ... But not work in "real life".
    Tomorrow I will come with another issue ...

  22. #22
    Join Date
    Dec 2008
    Location
    Ploiesti, ROMANIA
    Posts
    582


    Did you find this post helpful? Yes | No

    Default Re: Again ADC with 12F675 ...

    ...so I'm back !
    After solving first problem, I meet another one ... I can not reading two channel ADC.
    I try two version of code :
    -first variant
    Code:
    @ __config _XT_OSC & _WDT_OFF & _PWRTE_ON & _MCLRE_ON & _BODEN_ON & _CP_ON 
    DEFINE OSC  4
       
    
    CMCON       = 7
    OPTION_REG.7= 1 
    TRISIO      = %00001110	  	
    GPIO        = %00000001
    ANSEL       = %00110110 
    ADCON0.7    = 1
    
    adval  var word
    advalb var word
    
    PAUSE 200
    
    main:
    
     ADCON0.2 = 1 
     ADCON0.3 = 0      
     ADCON0.1 = 1
     WHILE ADCON0.1 = 1 : WEND
     adval.HighByte = ADRESH
     adval.LowByte = ADRESL
     PAUSE 50
    
    if adval < 950 then
    	if adval < 940 AND adval > 650 THEN gosub Led1
    	IF adval < 600 AND adval > 450 THEN gosub Led2  
    	IF adval < 400 AND adval > 150 THEN gosub Led3
    	IF adval < 100 THEN gosub Led4                   
    endif
    
     ADCON0.2 = 0
     ADCON0.3 = 1
     ADCON0.1 = 1
     WHILE ADCON0.1 = 1 : WEND
     adval.HighByte = ADRESH
     adval.LowByte = ADRESL
     PAUSE 50
    
    if advalb < 950 then
    	if advalb < 940 AND advalb > 650 THEN gosub Led1
    	IF advalb < 600 AND advalb > 450 THEN gosub Led2   
    	IF advalb < 400 AND advalb > 150 THEN gosub Led3
    	IF advalb < 100 THEN gosub Led4                 
    endif
    
    goto main
    -second variant
    Code:
    @ __config _XT_OSC & _WDT_OFF & _PWRTE_ON & _MCLRE_ON & _BODEN_ON & _CP_ON 
    
    DEFINE OSC  4
    
    DEFINE ADC_BITS     10          
    DEFINE ADC_CLOCK    3
    DEFINE ADC_SAMPLEUS 200      
    
    CMCON = 7
    OPTION_REG  = %10000110
    TRISIO      = %00000110	  	
    GPIO        = %00000110
    ANSEL = %00000110
    ADCON0.7    = 1  
    
    
    
    ADVALA  VAR WORD
    ADVALB  VAR WORD
    
    pAUSE 100
    
    main:
    
    adcin 1, advalA
    pause 5
    if advalA < 950 then
    	if advaLA < 940 AND advalA > 650 THEN gosub LED1
    	IF advalA < 600 AND advalA > 450 THEN gosub LED2     
    	IF advalA < 400 AND advalA > 150 THEN gosub LED3     
    	IF advalA < 100 THEN gosub LED4                   
    endif
    
    adcin 2, advalB
    pause 5
    if advalB < 950 then 
     	if advalB < 940 AND advalB > 655 THEN gosub LED1 
    	IF advalB < 600 AND advalB > 450 THEN gosub LED2   
    	IF advalB < 400 AND advalB > 150 THEN gosub LED3   
    	IF advalB < 100 THEN gosub LED4  
    endif                  
                   
    
    goto main
    ONLY "advalA < 100" is sensing and LED4 command is executed ...
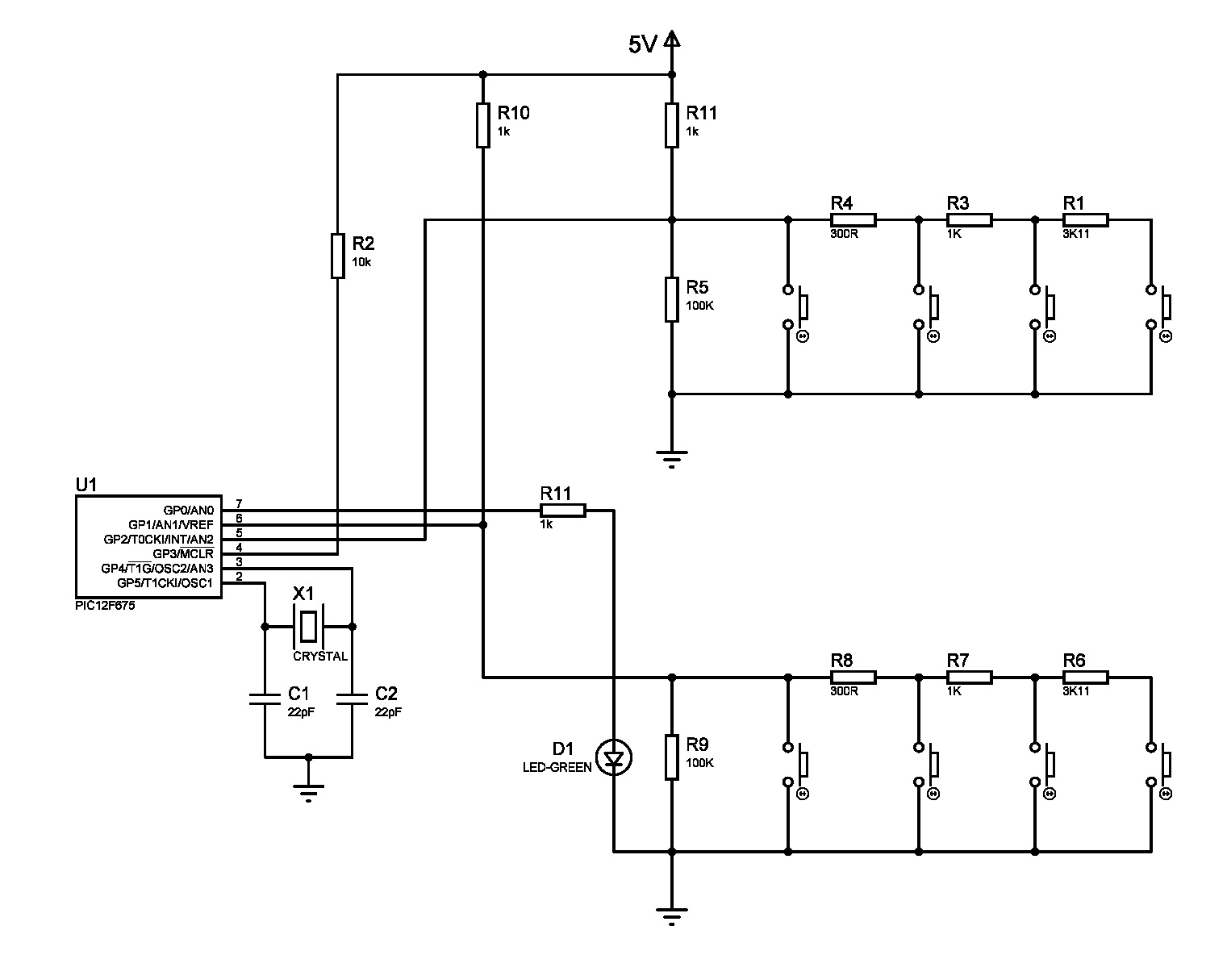
    Can somebody pointing to the right direction ? Thanks in advance !
    Schematic added.
    Name:  ADC_double.jpg
Views: 2081
Size:  139.1 KB

  23. #23
    Join Date
    Jan 2013
    Location
    Texas USA
    Posts
    229


    Did you find this post helpful? Yes | No

    Default Re: Again ADC with 12F675 ...

    A couple of suggestions second variant.
    Remove "GPIO = %00000110" you are trying to set a high on the input pins.
    Change "ANSEL = %00000110" to "%01110110", this will set the PIC ADC clock to RC mode and will match the
    "DEFINE ADC_CLOCK 3" directive.

    Then give Variant 2 a try.
    Regards,
    TABSoft

  24. #24
    Join Date
    Dec 2008
    Location
    Ploiesti, ROMANIA
    Posts
    582


    Did you find this post helpful? Yes | No

    Default Re: Again ADC with 12F675 ...

    I will try this, thanks !

  25. #25


    Did you find this post helpful? Yes | No

    Default Re: Again ADC with 12F675 ...

    Hi Fratello. A while back I did the same basic thing you're doing. On an ADC pin I attached a 47K pullup resistor. Then a 22K resistor with pushbutton to ground, 10K with button to ground, 2.2K with button to ground and a 1K with button to ground. Here is the code. It works perfect for me.

    ANSEL = 0 'all inputs digital
    CMCON = 7 'comparators off
    DEFINE OSCCAL_1K 1 ' Set OSCCAL for 1K device to accurize osc
    TRISIO = %11111111 'SET I/O'S to all inputs for now
    @ device pic12F675, INTRC_OSC_NOCLKOUT, wdt_on, BOD_ON,pwrt_on, mclr_off, protect_on
    BUT VAR BYTE 'BUTTON VARIABLE
    BUT2 VAR BYTE 'VARIABLE TO COMPARE READINGS TO PREVENT WRONG ADC READINGS
    Pause 500 'SETTLE DOWN

    STAYHERE:
    ADCIN 3,BUT 'ADCIN COMMAND AUTOMATICALLY CONVERTS I/O TO ADC PORT
    IF BUT < 100 Then STAYHERE 'IF BUTTON STUCK on power up WAIT HERE

    BEGIN:
    NAP 0 'REDUCE BATTERY DRAIN
    ADCIN 3,BUT
    IF BUT > 100 Then begin 'BUTTON not PUSHED

    table:
    ADCIN 3,BUT
    Pause 100
    ADCIN 3,BUT2
    IF BUT <> BUT2 Then TABLE 'RE-READ ADC should both be same

    IF BUT < 91 AND BUT > 71 Then (DO FUNCTION 1)
    IF BUT < 50 AND BUT > 40 Then (DO FUNCTION 2)
    IF BUT < 15 AND BUT > 8 Then (DO FUNCTION 3)
    IF BUT < 8 AND BUT > 4 Then (DO FUNCTION 4)
    IF BUT < 5 AND BUT > 2 Then (DO FUNCTION 5) '1K & 2.2K BUTTON PUSHED @ SAME TIME
    GOTO BEGIN

  26. #26
    Join Date
    Dec 2008
    Location
    Ploiesti, ROMANIA
    Posts
    582


    Did you find this post helpful? Yes | No

    Default Re: Again ADC with 12F675 ...

    Thank you !
    As I say, with just one resistors chain , everything works PERFECT !
    My troubles appears when I try to use TWO resistors chains (and TWO ADC channel).
    I wrote another version :
    Code:
    @ __config _XT_OSC & _WDT_OFF & _PWRTE_ON & _MCLRE_ON & _BODEN_ON & _CP_ON 
    
    DEFINE OSC  4
    
    DEFINE ADC_BITS     10          
    DEFINE ADC_CLOCK    3
    DEFINE ADC_SAMPLEUS 100      
    
    
    
    CMCON = 7
    OPTION_REG.7= 1
    TRISIO      = %00000110	 		
    GPIO        = %00000001
    ANSEL       = %00110110
    ADCON0.7    = 1
    
    adval   var word
    valb    var word
    vala    var word
    
    PAUSE 200
    
    goto mainloop
    
    getadv:
            PAUSEuS 50                      	' Wait for A/D channel acquisition time
            ADCON0.1 = 1
            WHILE ADCON0.1 = 1 : WEND
            adval.HighByte = ADRESH
            adval.LowByte = ADRESL
    Return
    
    getadvala:
            ADCON0 = %10000101             		
            Gosub getadv
            vala=adval
    Return
    
    getadvalb:
            ADCON0 = %10001001            		
            Gosub getadv
            valb=adval
    Return
    
    mainloop:
    gosub getadvala
    gosub getadvalb
    
    
    if vala < 950 then
    	if vala < 940 AND vala > 650 THEN gosub LED1
    	IF vala < 600 AND vala > 450 THEN gosub LED2      
    	IF vala < 400 AND vala > 150 THEN gosub LED3     
    	IF vala < 100 THEN gosub LED4                  
    endif
    
    if valb < 950 then
    	if valb < 940 AND valb > 650 THEN gosub LED1
    	IF valb < 600 AND valb > 450 THEN gosub LED2
    	IF valb < 400 AND valb > 150 THEN gosub LED3 
    	IF valb < 100 THEN gosub LED4                   
    endif
    
    goto mainloop
    But still no have proper results ...

  27. #27
    Join Date
    Dec 2008
    Location
    Ploiesti, ROMANIA
    Posts
    582


    Did you find this post helpful? Yes | No

    Default Re: Again ADC with 12F675 ...

    My schematic/code are from here : http://www.imdb.com/title/tt0052520/ !!!
    I did it work ... by re-reversing all those commands :
    " If VALA > 650 and VALA < 940 Then Gosub LED1"" ...
    instead of :
    " If VALA < 940 and VALA > 650 Then Gosub LED1"

    Nothing else ! And now everything works just fine !
    Thank you all for support !
    Have a Nice and Happy Easter !

  28. #28
    Join Date
    May 2009
    Posts
    40


    Did you find this post helpful? Yes | No

    Default Re: Again ADC with 12F675 ...

    I think you may wat to try the following: if (vala >650) and (vala <920) then go sub xx

  29. #29
    Join Date
    Aug 2006
    Location
    SWITZERLAND (french speaking)
    Posts
    938


    Did you find this post helpful? Yes | No

    Default Re: Again ADC with 12F675 ...

    In your very first post, I couldn't find any clear description of your problem or goal....

    Quote Originally Posted by fratello View Post
    Quote Originally Posted by fratello View Post
    Resistor coupling is apparently not the same in those two posts - is this okay?



    Try this:
    Name:  resistor.jpg
Views: 1560
Size:  49.2 KB
    Button 1 = 0 Volt => ADC 8 bits = +/-0 , ADC 10 bits = +/-0
    Button 2 = 1,25 Volts => ADC 8 bits = +/-64 , ADC 10 bits = +/-320
    Button 3 = 2,5 Volts => ADC 8 bits = +/-128 , ADC 10 bits = +/-640
    Button 4 = 3,75 Volts => ADC 8 bits = +/-192 , ADC 10 bits = +/-960

    I didn't built the circuit above; if ADC values are not stable, try with all R values ( :10) => 10k becomes 1k, 3k3 becomes 300Ohms and so on.



    As an alternative, you may want to have a look here "Compiled Tips ‘N Tricks Guide".Name:  RC ramp.jpg
Views: 1597
Size:  143.0 KB
    Last edited by flotulopex; - 17th April 2015 at 22:28.
    Roger

  30. #30
    Join Date
    Dec 2008
    Location
    Ploiesti, ROMANIA
    Posts
    582


    Did you find this post helpful? Yes | No

    Default Re: Again ADC with 12F675 ...

    Thanks for info !

Similar Threads

  1. ADC values above 4095 for 12 bit ADC
    By longpole001 in forum mel PIC BASIC Pro
    Replies: 7
    Last Post: - 1st February 2015, 22:24
  2. ADC problem on 18F46K22 device using all 28 ADC pins
    By JimAvanti in forum mel PIC BASIC Pro
    Replies: 2
    Last Post: - 23rd February 2012, 20:22
  3. 12f675
    By mystified in forum mel PIC BASIC
    Replies: 6
    Last Post: - 10th September 2007, 02:47
  4. 12F675 ADC 'Issues'
    By harrisondp in forum mel PIC BASIC Pro
    Replies: 2
    Last Post: - 31st March 2005, 01:55
  5. ADC on 12f675?
    By peu in forum mel PIC BASIC Pro
    Replies: 10
    Last Post: - 16th March 2005, 17:44

Members who have read this thread : 0

You do not have permission to view the list of names.

Posting Permissions

  • You may not post new threads
  • You may not post replies
  • You may not post attachments
  • You may not edit your posts