Hi !
I wote this code for 12F675:
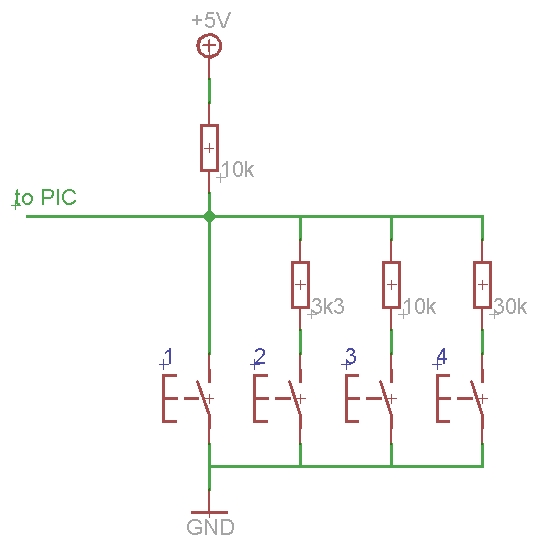
In ISIS I have multiple errors ... what did I do wrong ?Code:@ __config _XT_OSC & _WDT_OFF & _PWRTE_ON & _MCLRE_ON & _BODEN_OFF & _CP_ON DEFINE OSC 4 DEFINE ADC_BITS 10 DEFINE ADC_CLOCK 3 DEFINE ADC_SAMPLEUS 50 CMCON = 7 OPTION_REG = %10000110 TRISIO = %00001100 GPIO = %00000001 ANSEL = %00010100 ADCON0 = %10001001




Bookmarks