Hi Friends,
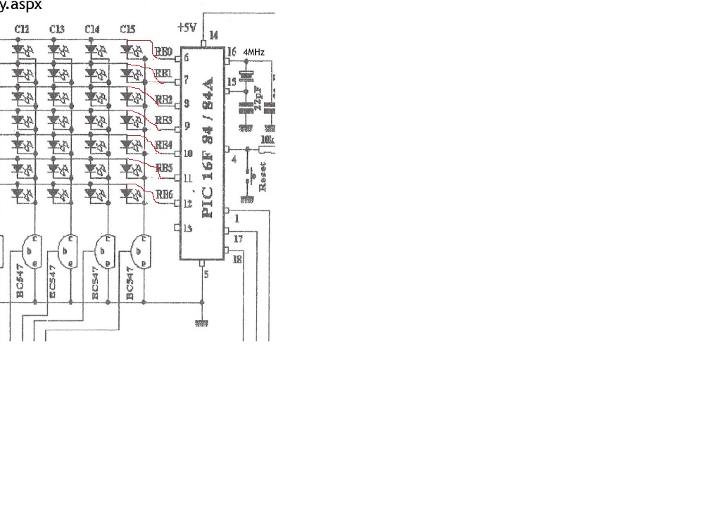
This is a PIC16F84A Microcontroller based matrix LED Display. It uses 7x15 (or 8x16) LED Matrix to display characters.
The circuit uses two 4017 IC s to move the characters.
Use the following link to download schematic, source codes and compiled hex files -
Documentation is also added with details of how to display your own message.
http://www.manelsoft.com/projects/pi...d_display.aspx
Good Luck.!![]()





Bookmarks