I2C-Bus Opto-Isolation


Closed Thread
Results 1 to 6 of 6

Hybrid View

  1. #1
    Join Date
    Feb 2004
    Location
    Germany
    Posts
    762

    Default I2C-Bus Opto-Isolation

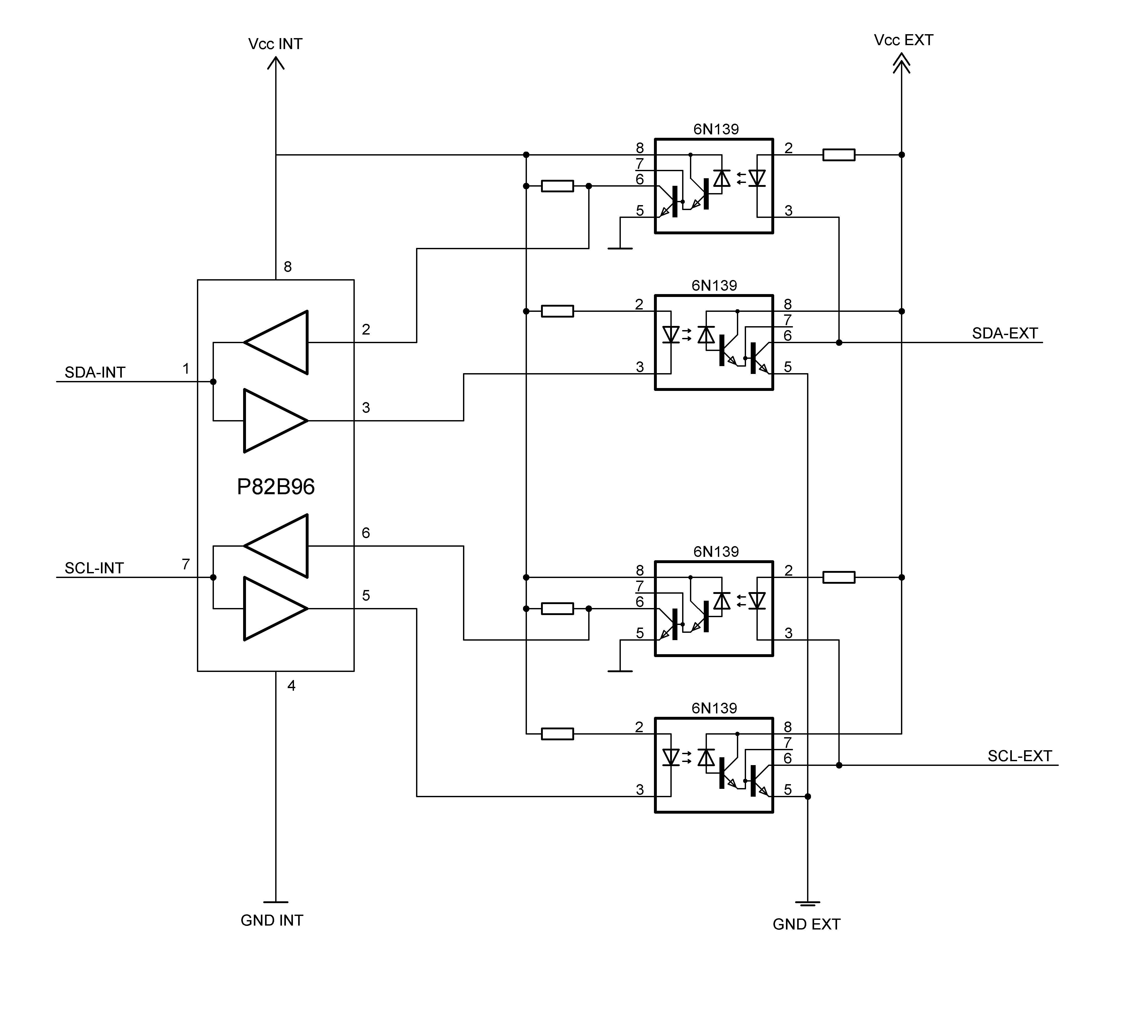
    If you ever need to optically isolate the I2C bus:

    attached is a working schematic.

    It works at up to 400 kHz
    Attached Images Attached Images  
    regards

    Ralph

    _______________________________________________
    There are only 10 types of people:
    Those who understand binary, and those who don't ...
    _______________________________________________



  2. #2


    Did you find this post helpful? Yes | No

    Default

    Attachment doesn't work.

  3. #3
    Join Date
    Oct 2004
    Location
    Italy
    Posts
    695


    Did you find this post helpful? Yes | No

    Default

    If the GIF file does not open, right-click on it and save it.
    To open the GIF file use the tool Imaging for Windows which is
    part of Windows 2000 or another similar tool.

    Windows 2000:
    Start-Programs-Accessories-Imaging


    Luciano

  4. #4
    Stump's Avatar
    Stump Guest


    Did you find this post helpful? Yes | No

    Default isolated I2C

    If the INT PIC will always act as the master, then only 3 optos are required.
    The opto connected to pin 6 of P82B96 can be left out, and pin 6
    is then connected to 5v. The clock signal does not need to be bidirectional
    unless the EXT units must act as master.

  5. #5
    Join Date
    Oct 2004
    Location
    Hangover, Germany
    Posts
    289


    Did you find this post helpful? Yes | No

    Default

    I think, the SCL-signal is also bidirectional, because the slave-device holds down the SCL-signal in order to strecht the read-command until it is freed by the interruptprocess after filling the SSPBUF.

  6. #6
    Stump's Avatar
    Stump Guest


    Did you find this post helpful? Yes | No

    Default correction

    If you use slave devices that do NOT support clock pulse stretching
    then you can eliminate one of the optos
    see Philips appnote AN255_2
    pg 45
    http://www.semiconductors.philips.co...es/AN255_2.pdf

    It appears that clock stretching in pbp can be implimented with a define
    statement "DEFINE I2C_HOLD 1"

Similar Threads

  1. I2C Master/Slave 16F88/16F767 working code
    By DanPBP in forum Code Examples
    Replies: 2
    Last Post: - 23rd October 2012, 23:31
  2. HARDWARE I2C SAMPLE CODE question
    By Michael Wakileh in forum Code Examples
    Replies: 2
    Last Post: - 16th June 2009, 22:07
  3. I2C Master Slave issues.
    By cpayne in forum mel PIC BASIC Pro
    Replies: 9
    Last Post: - 29th March 2008, 20:33
  4. Compass module and I2C bus
    By vladimir059@hot in forum mel PIC BASIC Pro
    Replies: 12
    Last Post: - 26th December 2006, 21:29
  5. Please help with i2cslave i2c slave
    By cycle_girl in forum mel PIC BASIC Pro
    Replies: 2
    Last Post: - 1st December 2005, 14:55

Members who have read this thread : 0

You do not have permission to view the list of names.

Posting Permissions

  • You may not post new threads
  • You may not post replies
  • You may not post attachments
  • You may not edit your posts