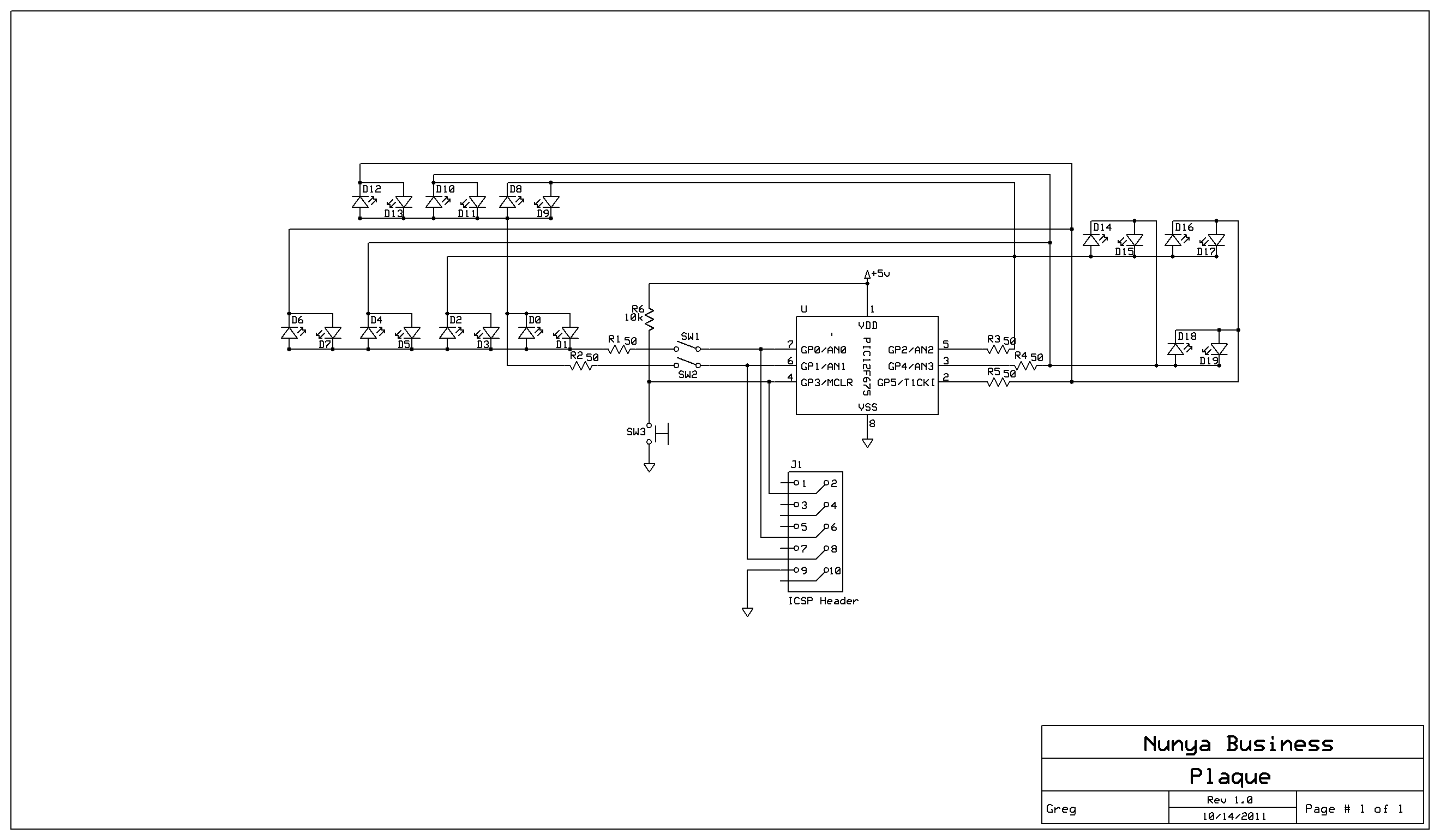
I've been working with a 12f683 trying to get 20 diodes working off one chip. So far the success has been rather good. Until today when I hooked up the circuit to 4 x 1.5AA batteries through a TO-92 5V regulator. I had been using an old computer power supply for the 5V and disconnected that to hook in the 5V from the regulator/battery setup to the same spot. Now, almost all the LEDs ghost blink while the program is cycling to the next LED. I assumed you couldn't get any cleaner power than from a battery but what vexes me is why they ghost light with the battery and not the power supply?
Your thoughts would be appreciated.






Bookmarks