Hello Unregistered ,
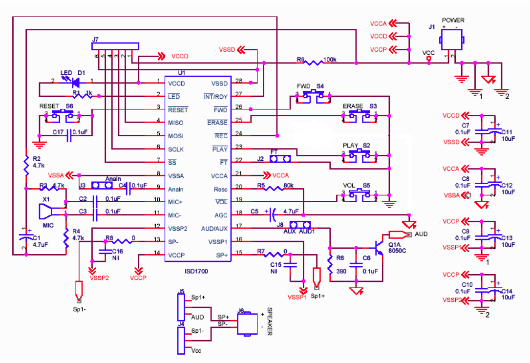
Well then, how about this one? http://media.digikey.com/pdf/Data%20...SD-COB1700.pdf
http://www.scalerobotics.com
Forum Rules
Bookmarks