Hello,
I've had lots of help from many of you so I share my code for this SIMON game.
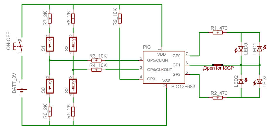
I wanted to make a hand-held SMD version of this game with 3 lifes and a level counter.
Start the game on speed-level 1 by pressing button n°1 (most left) and, respectively, press button n°4 to start on speed-level 4.
When you miss, the leds flash for the numbers of remaining lifes.
After you have used your 3 lifes, all leds flash 3 times and then you can read your score: most-right led counts the Units, second led starting from right counts Tens.
<img src="http://www.picbasic.co.uk/forum/attachment.php?attachmentid=1534&stc=1&d=117656874 5">
<img src="http://www.picbasic.co.uk/forum/attachment.php?attachmentid=1930&stc=1&d=118738058 6">






Bookmarks