Hi all
I would like to incorporate a transformer-less capacitive power supply in the project I am busy with.
I found this app note on the microchip site
[HTML]http://ww1.microchip.com/downloads/en/AppNotes/00954A.pdf[/HTML]
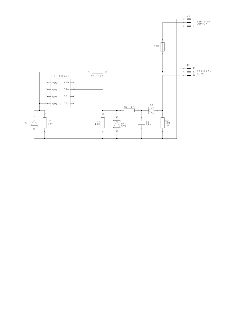
What's confusing me is deriving the values for a 220V 50Hz supply.
I can't seem to fugure out where the values for R1 and C1 are initially derived...are the just assumed and we calculate the rest from there?
Also hat is not clear is the WATTAGE for R2 1M in figure 10 nor for VR1 or the MOV.
I hope someone can offer some help here
Kind regards
Dennis







Bookmarks