Hello all !
Give me please any idea how can I do :
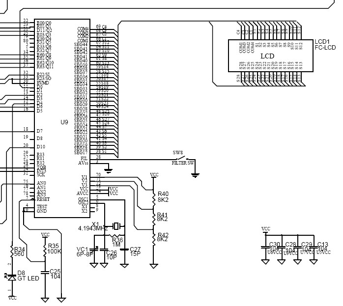
I have a frequencymetter ( see attach ) I do not know the names of procesor and display .
I wish to use outputs of processor / inputs of display ,(for 4 digits ),that inputs in a PIC ,convert valuation in ???/ binar/ hexa , compare with a few standard numbers => and write on other display a text .
In my mind is to put LCD's pins : S5,S6;S9,S10;S11,S12;S13,S14 on a PORT ,
and COM1,COM2 , COM3 , COM4 on other PORT (these are digits which I wish to use ) .....and here .....your ideas !
Thank you !




Bookmarks