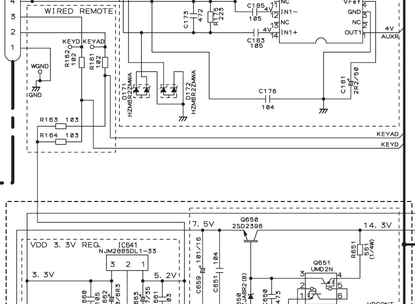
Simple, there's no voltage in there as it is right now. You'll need to modify the circuit to add some voltage there. The pull-up thing should work.
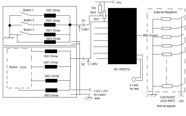
Do yourself a big favor, output the value of the ADC reading to a LCD or to your computer, push on a single button, note the value and modify the IF-THEN value in the code.
What are your pull-up value?

