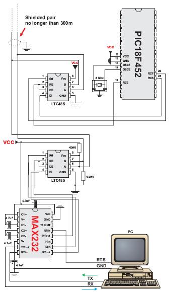
Hi, I need to connect my PC to some of my circuits that use RS485. I was going to have a converter built into one of the circuits. It looks like it should be as simple as connecting a MAX232 chip to a MAX485 chip. That should be fine for 1way communications but if i want it 2 way then i need the serial port to be able to switch between RS485 driver and receiver. Would i be able to use those extra pins on the serial port for this? Which ones can i actually use? Im thinking about CTS, DSR etc. Im not sure which ones are inputs and which are outputs though. Do i need any other components between these pins and the MAX485's RE and DE pins? Maybe resistors?

