-
RS232 Sniffing
I'd like to monitor a PC program communicating with a serially connected device with a simple tool, so that I can see what PC is sending and what the device is replying to PC.
I know I can do this with another RS232 and a couple of diodes and resistors but prefer to not use an extra serial port. A simple monitoring window is better.
Anyone that knows such a tool please?
Ioannis
-
Re: RS232 Sniffing
-
Re: RS232 Sniffing
You might want to consider this product. I have used a very early version of it and think it might be what you're looking for. https://www.hhdsoftware.com/serial-port-monitor
-
Re: RS232 Sniffing
Thank you both.
The second seems a bit more complicated but more loaded with features.
Ioannis
-
Re: RS232 Sniffing
Hi Ioannis
The serial port monitor software sits on top of your existing serial port driver on the same PC which communicates with the device. So, you can run your PC software with your device and intercept all the traffic passing to / from the device.
Therefore, whatever traffic passes through the serial port on the PC, it can intercept and display.
Regards
-
Re: RS232 Sniffing
Yes, it is a great tool! Thanks,
Ioannis
-
Re: RS232 Sniffing
one thing you could do if you don't need data in real time is LOG the traffic to file, then read it. Hyperterm can log text and so can realterm I think. Some terminal programs may be able to add time-stamp to dats logged'
-
Re: RS232 Sniffing
Good idea. Especially if there is a way to disciminate the Tx from Rx data stream.
Thanks,
Ioannis
-
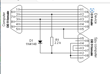
3 Attachment(s)
Re: RS232 Sniffing
this simple circuit worked with PIC serial TTL to USB for send/rcv to PC. Just used a second USB to serial converter and actually used a 1K ohm R, then can view both sending and receiving. Open another instance of hyper-term or other terminal program. You could add 3rd USB/serial device and open another terminal prog and see separate send rcv windows
Attachment 9455Attachment 9453Attachment 9454
-
Re: RS232 Sniffing
Thanks amgen.
My preference is to use a software solution than to use an extra serial port.
Ioannis
-
Re: RS232 Sniffing
Try com0com (and some of its associated programs like hub4com). It lets you create virtual ports from a single com port.
https://com0com.sourceforge.net/
-
Re: RS232 Sniffing
Nice project this com0com. Will use them in Com to TCP/IP.
But for now I wanted to monitor a real device communicationg with the PC app.
Thanks,
Ioannis
-
Re: RS232 Sniffing
It should do that too.
Hub4com let's you create multiple virtual ports, so you can pipe one real port out to multiple apps
-
Re: RS232 Sniffing
Thanks a lot for the suggestions and links.
Ioannis