-
1 Attachment(s)
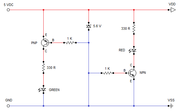
Over-voltage protection
A little something I thought up in case a user doesn't use the proper power source (like use the Lab-X1 12V wall-adapter instead of the 5V model supplied with the unit).
This serves as both a POWER light, and a MAGIC-SMOKE-INCOMING light.
Code:
IF Zener receives under 5.6V THEN
PNP transistor turns ON green light
ELSE
NPN transistor turns ON red light
END-IF
Attachment 9385
Does it make sense? Am I forgetting something?
I've never touched a Zener before, and rarely have used a Transistor. So this also serves as a training exercise for me.
Robert
-
1 Attachment(s)
Re: Over-voltage protection
the red led will never fly with base of tr shorted to gnd
try
Attachment 9386
red should light at 5.5v
-
1 Attachment(s)
Re: Over-voltage protection
Quote:
Originally Posted by
richard
the red led will never fly with base of tr shorted to gnd
try
Attachment 9386
red should light at 5.5v
But why reduce Zener to 4.7V? Out of all the PICs I'm looking at, the one with the lowest max VDD was 6.0V; hence why I chose 5.6V Zener as "fuse".
Is this because of influence of 1K resistor below it?
And how did you arrive at 4.7V? Math? or a spec in some doc?
In this particular case, I was doing this for the 18F14K22 which has absolute max VDD rated at 6.0V.
EDIT: I ask how, because I will have the same over-voltage circuit at other voltage levels(for other purposes).
EDIT SOME MORE: These are the specs for the 1N5232BTR that I was planning on using.
Attachment 9387
-
Re: Over-voltage protection
Quote:
But why reduce Zener to 4.7V?
i saw
Quote:
the 5V model supplied with the unit
and assumed an over 5v alarm was indicated
Quote:
Out of all the PICs I'm looking at, the one with the lowest max VDD was 6.0V; hence why I chose 5.6V Zener as "fuse".
if you use a 5.6v zenner in my cct then the red alarm led will be lit at 6.5 v
if you want the zenner to be a crowbar and blow a fuse, there are better ways.
https://www.ebay.com.au/itm/203643422252
i use these things , 3-15 v in adj to 3.3 or 5v out or whatever @up to 5w , cheap with no problems
-
Re: Over-voltage protection
Quote:
Originally Posted by
richard
... if you want the zenner to be a crowbar and blow a fuse, there are better ways.
I'm seeing this design a lot.
https://theorycircuit.com/crowbar-ov...ection-module/
It pops that fuse and puts an end to the shenanigans until the user corrects the situation.
I'd like to stay away from 3rd-party components as much as possible, and come up with a design as simple as possible.
Robert
-
1 Attachment(s)
Re: Over-voltage protection
Quote:
Originally Posted by
richard
... if you want the zenner to be a crowbar and blow a fuse, there are better ways.
How about this modification to that link I posted above?
- Green LED remains ON while voltage remains under 5.6V.
- Red LED turns ON when voltage reaches 5.6V, and Green LED turns OFF.
- SCR shorts out Fuse and protects everything to the right of this circuit.
Attachment 9388
This way I get a light on the unit that gives an indication as to what went wrong.
I absolutely hate products that DIE, and you're left clueless what went wrong.
Robert
EDIT: I'm just not sure about the need for that 1N4007 for my application. It will cost me a voltage drop to add that in.
-
Re: Over-voltage protection
Quote:
- Green LED remains ON while voltage remains under 5.6V.
Green LED remains ON , it will not extinguish
Quote:
- Red LED turns ON when voltage reaches 5.6V, and Green LED turns OFF.
Red LED turns ON when voltage reaches 5.6V + at least 0.6 v , so more like
when voltage exceeds 6.3v Red LED turns ON and Green LED remains on.
Quote:
- SCR shorts out Fuse and protects everything to the right of this circuit.
in practice :- just after every semiconductor device is destroyed SCR shorts out Fuse
-
Re: Over-voltage protection
Green LED is driven by a PNP. Won't that shut off once the Zener breaks?
-
Re: Over-voltage protection
no, there is no mechanism there to make vbe for the pnp tr ever be below the 0.6 v required to switch the tr on
-
Re: Over-voltage protection
Quote:
I absolutely hate products that DIE, and you're left clueless what went wrong.
me too, that's why i use modern switch mode power modules with wide input supply ranges and generally fail safe outputs
-
1 Attachment(s)
Re: Over-voltage protection
A simpler circuit as 'crowbar' type circuit. Use 2 or 3 -5.6 volt zener diodes, if/when it trips, probably will short/ruin one z-diode. Has your .6 amp fuse and you can add one or more 1n4004 type diodes in series to raise the trip-out voltage by about .6 volt for each diode. Also add a, maybe a
1 or 10 microfarad cap across z-d's to absorb any high surge if over 5v
Attachment 9389
-
1 Attachment(s)
Re: Over-voltage protection
Quote:
Originally Posted by
richard
... in practice :- just after every semiconductor device is destroyed SCR shorts out Fuse
What destroys ICs downstream after the SCR shorts to VSS?
Is it a current surge?
Or reverse voltage?
Robert
EDIT: Added NTC for current surge protection at output, and extra TVS up front (we get a lot of power surges here, hydro lines are not the most stable with so many trees).
EDIT SOME MORE: In keeping with Tim The Toolman's philosophy of "cause we can", I added a Varistor on output.
Attachment 9391
-
Re: Over-voltage protection
Crowbar protection can be ineffective due to the time taken for it to activate. Everything of value is damaged in the milliseconds before comes in.
-
Re: Over-voltage protection
What about Zener/Mosfet design?
https://theorycircuit.com/over-volta...ction-circuit/
Darn, not that one either. It protects against reverse polarity.
I saw some earlier, but can't find them now.
-
1 Attachment(s)
Re: Over-voltage protection
you could try
Attachment 9392
but i feel its a no gain process, a good switch-mode supply is cheaper and smaller
-
1 Attachment(s)
Re: Over-voltage protection
Quote:
Originally Posted by
richard
you could try ... but i feel its a no gain process ...
I'd really like to learn "something" in this exercise. :D
The majority of the over-voltage links on the web either point to the naked zener, or zener-SCR and zener-FET. And a LOT of those threads get taken apart in the comments. It's like amateurs acting like they're gurus now.
So I resorted to looking at the corporate sites; they usually know what they're doing, but I ignore them in the past cause it's often so much more complicated than my skill level.
And then I fall on this one from TI:
Attachment 9393
Technical specs here:
https://www.ti.com/lit/an/snoaa20/sn...FCIRCUIT060079
- 1 IC
- 4 Resistors
- 2 Zeners
- 1 MOSFET
And it includes all the math to convert for 5V (I think).
But I'm faced with the same question, will this design have a delay that won't really save anything sensitive downstream?
Richard, that circuit you buy, doesn't that also have some delay to a certain degree?
I'd be very interested in this IC, only downside, requires 7V in (without knowing more about it yet).
https://www.ti.com/lit/ds/symlink/tl714.pdf
NEVER MIND, 7-12mA. :D
Robert
-
Re: Over-voltage protection
Quote:
Originally Posted by
richard
Ok, so I found Alice on ebay Canada. Turns out to be $1.79 each when I buy 10.
https://www.ebay.ca/itm/313748820419
I guess nothing stops me from adding a zener/crowbar/fuse setup in front to make me feel like I'm doing something.
I can even afford a one-way diode in case someone uses a wall-adapter with a negative center (I think all the ones I have are positive center).
I hope you get a freebie for making her a sale. :D
Robert
-
Re: Over-voltage protection
So I started looking closer at Alice, she's using a B6289C IC; I can't even find a datasheet for that.
But I did find a relatively similar circuit using a LM2596 for $.99:
https://www.ebay.ca/itm/333463165949
Is this as good as Alice?
I can even order a batch from Amazon and avoid import/duty fees, $2 each:
https://www.amazon.ca/Yizhet-Convert...dp/B0B5GQTS64/
Robert
EDIT: just the LM2596 costs over $4 here:
https://www.digikey.ca/en/products/d...TVADJG/2003293
-
Re: Over-voltage protection
i very much doubt "Alice" is an individual.
the sm ps units i linked are good, o/p v adjustment is fiddly. i cannot vouch for every-thing else
there are multitudes of cheap sm power modules on ebay,amazon,aliexpreess,....
i pick ones to suit project re i/p o/p power.
if the price is too good to be true , it probably is.
i use R-78E-0.5 for pic mcu mission critical jobs , not cheap but super reliable and tough
-
Re: Over-voltage protection
Quote:
Is this as good as Alice?
its a different animal , the ones i linked are buck boost in 3 to 15 , out 1 to 15
ie 3v-15v in 5v out those others are buck only ie 7.2v-35v in 5v out
-
Re: Over-voltage protection
Quote:
Originally Posted by
richard
its a different animal , ... those others are buck only ie 7.2v-35v in 5v out
That's ok. I haven't used weaker wall-adapters than required at output yet. I'm always using exact ratings, like a 5V wall-adapter for a 5V circuit, or a stronger wall-adapter and using voltage regulators to bring it down.
I ordered 10 and I'll see what the railure rate is. Some comments say they suck, but you never know how they treated the units.
Found the Alice design is on Amazon (same IC), but they're advertising it as boost only:
https://www.amazon.com/Eiechip-Volta.../dp/B07RNBJK5F
-
Re: Over-voltage protection
Just a note to the next guy, you don't absolutely have to have 5V to operate a lot of these PICs.
For example, on a 16F628, check the DC Characteristics in section 17.1 of the datasheet and look at VDD supply voltage.
- it runs fine from 3.0 - 5.5 V, just keep an eye out on Brown-out Detect Voltage if you're using that feature.
Just don't fixate on the Absolute Maximum Ratings in section 17.0 (like I was doing).
- 6.5 V max on VDD.
- 14V max on MCLR.
If you run a bit lower than the "normal" 5 volts, you might have to adjust the resistors a bit for things like LEDs.
Robert
-
Re: Over-voltage protection
why aren't you just using a simple LM7805 regulator which will take any input of say 6 to 32 volts and protect the micro ? That could take the place of all the other circuitry, plus input voltage fluxuation.
-
1 Attachment(s)
Re: Over-voltage protection
Quote:
Originally Posted by
amgen
why aren't you just using a simple LM7805 regulator which will take any input of say 6 to 32 volts and protect the micro ? That could take the place of all the other circuitry, plus input voltage fluxuation.
That was my first idea, but I don't know just how far a 7805 can take abuse, compared to the TVS, NTC and MOV?
And then I'd still like to pop a fuse if things get out of hand. Been playing some more with it, added some caps up front, took off the red LED (fuse will tell me something went wrong), added direction diode and simplified the green LED.
Attachment 9394
What happens with a 7805 if a user plugs in the wrong wall adapter? I have dozens myself of all powers, accumulated over the ages.
Robert
-
Re: Over-voltage protection
well, the 7805 takes up to I think 32 volts at the input so you could use any adapter that is under that voltage with only exception that the input has a minimum of about 1 volt over the regulated 5 volts. Those TVS and MOV's are generally used for possible heavy surges of power and lightening type events, and even then, the electronics can be damaged due to "instantaneous power/voltages" that strike. The NTC, when used in power circuits, are also called "inrush current limiters" are generally used for limiting "initial" current inrush if there are large capacitors to charge or motor or transformer windings that may take large startup current. The resistance for NTC's goes down as the device heats up reaching the 'steady-state' current. Lastly, there are 3 terminal linear voltage regulators with a higher input voltage ratings, if that is a worry.
ps: that is a pretty circuit you drew !:)
-
Re: Over-voltage protection
Quote:
That was my first idea, but I don't know just how far a 7805 can take abuse, compared to the TVS, NTC and MOV?
they are pretty tough, i don't go much for linear regs due to their low efficiency and heatsink requirements [ for batt powered stuff].
for low power mains powered roles they served well for years and still can
absolute vin max is 35v but dropping 20v or so across the reg @250mA makes a lot of heat whereas for a switching reg , no heat
-
Re: Over-voltage protection
Maybe I missed the scope but, why are you so worried?
If you have a low current circuit, a 7805 is just fine for up to 35 or so voiltages.
If you have higher currents, then a smps like the expensive Recom that Richard uses or the cheaper https://gr.mouser.com/ProductDetail/490-VXO7805-1000 I use is good enough.
And last but not least, the circuit that you posted for reverse polarity protection with the p-mosfet in post #14 is the best protection with no voltage drop.
Ioannis
-
Re: Over-voltage protection
Quote:
Originally Posted by
Ioannis
Maybe I missed the scope but, why are you so worried?
If you have a low current circuit, a 7805 is just fine for up to 35 or so voiltages.
If you have higher currents, then a smps like the expensive Recom that Richard uses or the cheaper
https://gr.mouser.com/ProductDetail/490-VXO7805-1000 I use is good enough.
And last but not least, the circuit that you posted for reverse polarity protection with the p-mosfet in post #14 is the best protection with no voltage drop.
Ioannis
I get crazy power surges and spikes here in thunderstorms, lots of trees messing with lines and transformers.
I might end up using a combination of devices.
Yeah, that diode was costing me .7V and was bugging me like crazy, but with that boost circuit, that's not really a problem. That boost circuit also gives me the choice of splitting my power source: 5V for PIC and other ICs, and what ever I need for more power-hungry circuits.
I have only one major concern, whatever I chose, I have to be able to provide at least 100 within a year, hopefully 1000 over the next few years (gotta have goals in life :D ).
Robert