Occasionally I will search the forum for serial routine ideas. These searches always bring up old posts from people who have overheating issues with their RS232 interface IC’s. In every post I have seen here, that included a schematic, the schematic is wired incorrectly. Instead of posting how to correctly wire an interface chip, the threads sometime gravitate to discussions on fake chips from China. Though fake chips are a problem, the fix is to observe proper wiring of TTL devices.
TTL wiring rule number one;
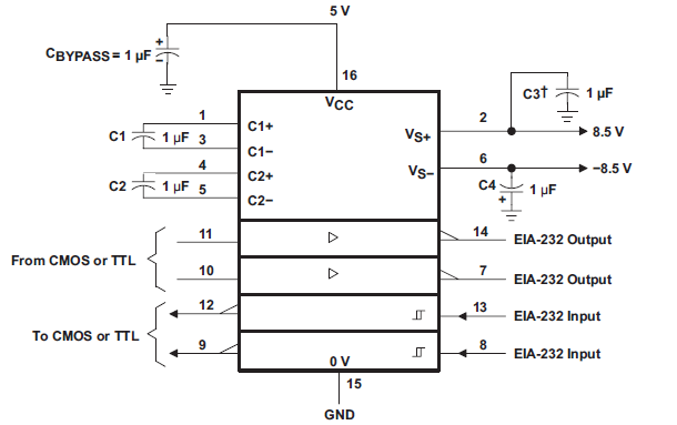
All inputs MUST go somewhere.
Leaving an input floating can cause wild oscillations, overheating issues and massive current draw issues. The MAX232 is a two channel device with two TTL inputs. Every schematic posted in this forum shows only one input tied to something. The other is left floating. This is wrong. Tie that other, unused, input to either ground or 5 volts.
Another point of confusion I see is that “MAX232” is taken as literally, when it is really being used generically . When shopping for a new IC, it is better to search for a “RS232 interface IC”. A Maxim Integrated MAX232CPE from Mouser.com cost $3.20. I prefer to use a Texas Instruments TRS202ECN from Mouser.com which costs $1.53. I get the same performance at half the price. There’s no need to turn to China for affordable interface ICs.
So if you happen across a post that includes a schematic that shows an RS232 interface chip that is wired incorrectly, an input left floating, reply to that post to do something with that unused input. Doing that will save someone hours of trouble-shooting time.

