1 Attachment(s)
STM32F031K6 HAL UART Interrupts problem
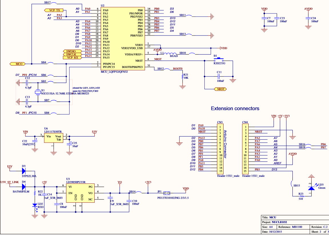
Attachment 8338
I got a new STM32F031K6 nucleo board and I need to make a GSM UART interface on that board. I need to send an AT and receive an OK from the GSM board as a first step.I am able to transmit AT successfully But cannot receive anything. I am using IAR. I am using PA9 - TX and PA10 - RX. How to create a transmit and receive code using interrupts using this HAL library. I wrote code using interrupts and it's not giving a single character.
This is my code
int main(void){ HAL_Init();/* Configure the system clock to 48 MHz */SystemClock_Config();/* Configure LED3 */ BSP_LED_Init(LED3); UART_Init(); BSP_LED_Off(LED3);if(HAL_UART_Transmit(&UartHandle,(uint8_t*)aTxBuffer, TXBUFFERSIZE,100)!= HAL_OK){Error_Handler();}if(HAL_UART_Receive_IT(&UartHandle,(uint8_t*)aRxBuffer,6)!= HAL_OK){Error_Handler();}/*##-5- Wait for the end of the transfer ###################################*/while(UartReady!= SET){}/* Reset transmission flag */UartReady= RESET;/*if(HAL_UART_Transmit(&UartHandle, (uint8_t*)aRxBuffer, 6,1000)!= HAL_OK) { Error_Handler(); }*/while(1){}}
IRQ handler
voidUSARTx_IRQHandler(void){ HAL_UART_IRQHandler(&UartHandle);}
Receive callback function
void HAL_UART_RxCpltCallback(UART_HandleTypeDef *UartHandle){if(UartHandle->Instance==USARTx){/* Set transmission flag: transfer complete */UartReady= SET; BSP_LED_On(LED3);}}
And when I am debugging the code stuck at this point .
/*##-5- Wait for the end of the transfer ###################################*/while(UartReady!= SET){}
My actual application is to send an SMS to the GSM board using UART and collect the reply in a buffer and then parse it.First i need to make this interface And I cannot use DMA as there is no idea on how much data is received on this commuunication.
please help guys..
Re: STM32F031K6 HAL UART Interrupts problem
Looks like C.
This is a PIC Basic forum. You "might" be lucky and get help.
Robert