-
1 Attachment(s)
Long / short press button...but reading ADC
Hi !
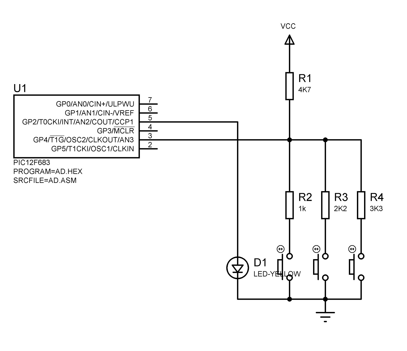
I need again for your help ! I tried to build one simple schematic ; I used 12F675 for reading ADC. Works fine.
But ... I have no clue how to "find" if the button is pressed short (let's say under 1 sec) or long ( > 1 sec) ...for having different commands.
Can someone point me into the right direction ?
Thanks in advance ! Have a nice day and weekend !
Code:
@ __config _XT_OSC & _WDT_OFF & _PWRTE_ON & _MCLRE_ON & _BODEN_ON
DEFINE OSC 4
CMCON = 7
TRISIO = %00001001
INTCON = 0
IOC = 0
GPIO = 0
ANSEL = %00110001
ADCON0.7 = 1
DataW var WORD ' Just a WORD Temporary working variable
Main:
ADCON0 = %10000001
Pauseus 50 ' Wait for channel to setup
ADCON0.1 = 1 ' Start conversion
While ADCON0.1=1:Wend ' Wait for conversion
DataW.HighByte=ADRESH ' Read variable from ADC and save
DataW.LowByte=ADRESL
If DataW > 0 AND DataW < 1023 then GPIO.2 = 1
Pause 1000
GPIO.2 = 0
Goto Main
-
Re: Long / short press button...but reading ADC
Fratello, fiest I would change the value of R4 to say... 100 Ohms. That way you are giving the port something less than 1/2 vcc to be seen as a low. Next I would on the trailing edge of the button press, start a loop counter and count some number of time the button is in the down state. When the button is released check the time against a constant of your choosing and see if it longer or shorter than that.
-
Re: Long / short press button...but reading ADC
don't see this working
won't your adc reading always be > 0 and it can never be higher than 1023
Quote:
If DataW > 0 AND DataW < 1023 then GPIO.2 = 1
as dave says something like this
Code:
@ __config _XT_OSC & _WDT_OFF & _PWRTE_ON & _MCLRE_ON & _BODEN_ON
DEFINE OSC 4
long_press_threshold con 20 ;2 sec
press_threshold con 10 ;1 sec
trigger_thresshold con 600 ; adc reading must fall below this to countr as pressed
CMCON = 7
TRISIO = %00001001
INTCON = 0
IOC = 0
GPIO = 0
ANSEL = %00110001
ADCON0.7 = 1
DataW var WORD ' Just a WORD Temporary working variable
b_cnt var byte
b_ACT var byte ;0 not pressed ,1 pressed for 1 sec ,2 pressed for 2 sec
clear
Main:
gosub chk_sw
Pause 100
if b_ACT then
if b_ACT ==1 then
GPIO.2 = 0
else
GPIO.2 = 1
endif
b_ACT=0
b_cnt=0
endif
Goto Main
chk_sw:
ADCON0 = %10000001 ;ch0
Pauseus 50 ' Wait for channel to setup
ADCON0.1 = 1 ' Start conversion
While ADCON0.1=1:Wend ' Wait for conversion
DataW.HighByte=ADRESH ' Read variable from ADC and save
DataW.LowByte=ADRESL
if DataW < trigger_thresshold then
b_cnt=b_cnt+1 ;if btn is active add to count
IF b_cnt > long_press_threshold THEN b_ACT= 2
ELSE ;button released
if b_cnt > press_threshold THEN ;press_threshold met
IF b_cnt > long_press_threshold THEN
b_ACT= 2 ;LONG press >2 SEC
ELSE
b_ACT= 1
ENDIF
ELSE ;press_threshold not met
b_ACT= 0
b_cnt=0 ;reset count
ENDIF
endif
return
-
Re: Long / short press button...but reading ADC
Thank you both for such fast reply !
Very good info !!! I will test and search for help again if something going wrong...
LE : If DataW > 0 AND DataW < 1023 then GPIO.2 = 1
DataW, with R3=R4=1k, it's "512", don't ?
-
Re: Long / short press button...but reading ADC
I set the
Quote:
trigger_thresshold con 600 ; adc reading must fall below this to countr as pressed
to 600 to allow a little safety margin
ooops
note I edited my post to fix timing Pause 100 instead of 50 but I forgot to press the save button till now sorry
-
Re: Long / short press button...but reading ADC
I suppose there's some good reason for using the ADC to detect the keypress vs just looking for a digital high/low on the pin?
-
Re: Long / short press button...but reading ADC
Yes, I NEED to use ADC instead "usual" button(s).
-
Re: Long / short press button...but reading ADC
just my two cents ..
remove the Quartz and capacitors
an use the internal oscillator if you don't need a precison time ..
I love to use those small 12F675 ..
Take care at programmation time you have datas (2 bytes) at the end of the eprom.
read it before programming
Francois
-
Re: Long / short press button...but reading ADC
I have used 'for loop' to test for switch press duration as such....you would use your adc reading instead of GPIO check
Code:
if GPIO.1= 1 then start ' gpio is 1 for no press, 0 for pressed....or do 1 adc read and check ..about 100 microseconds
FOR B5= 1 TO 100 '1 SECOND FOR TIMER
PAUSE 10
if GPIO.1= 1 then start 'or do 1 adc read and check ..about 100 microseconds
NEXT B5
'''' switch still pressed ...continue to 2 second press check
FOR B5 = 1 TO 100 '2 SECONDS FOR 6 HR
PAUSE 10
if GPIO.1=1 then TIMER 'press is greater than 1 second in this loop... up to 2 second
NEXT B5
continuing here if switch still pressed !!!!
-
Re: Long / short press button...but reading ADC
Thank you all for the support !
-
Re: Long / short press button...but reading ADC
Code from Mr.Richard (Thanks !), see post #3, works just fine.
But now I'm stuck again ...
For accurate reading of ADC I use bubble-sort algoritm, how it's presented on this forum.
Code:
Main:
nr=1
for nr = 1 to 2
For CounterA=0 to 8
ADCON0 = %10000001
Pauseus 50 ' Wait for channel to setup
ADCON0.1 = 1 ' Start conversion
While ADCON0.1=1:Wend ' Wait for conversion
DataW.HighByte=ADRESH ' Read variable from ADC and save
DataW.LowByte=ADRESL
RawData(CounterA)=DataW
Next CounterA
CounterA=0
Gosub Getsort
next nr
if adca=adcb then gosub efectuez
goto main
;============================================================================
GetSort:
If RawData(CounterA+1) < RawData(CounterA) then
DataW=RawData(CounterA)
RawData(CounterA)=RawData(CounterA+1)
RawData(CounterA+1)=DataW
If CounterA>0 then CounterA=CounterA-2
endif
CounterA=CounterA+1
If CounterA<9 then goto GetSort
DataW=0
For CounterA=3 to 6
DataW=DataW+RawData(CounterA)
Next CounterA
ADCValue=DataW>>2
if nr = 1 then
adca = adcvalue
else
adcb = adcvalue
endif
Return
;============================================================================
The code works amazing, almost no error ... for different value of ADC, I can do different tasks.
BUT ... I can not figure out how to use the procedure of short/long press in this code... since even a short press makes the code to jump to "efectuez" (where I have different commands defined).
I tried to use the same procedure as in post #3 ; I tried to put it into different places of the code, but without result ! Whatever I do, it's like pressing the button for a short time.
-
Re: Long / short press button...but reading ADC
can you explain what you are trying to achieve , and maybe another schematic .
at this stage I can't see how an array sorting routine is useful for detecting button presses long or short .
post the code for what have you tried
-
Re: Long / short press button...but reading ADC
In the schematic posted in #1, R4 have different values ... for different commands.
The code above is for reading accurate ADC ; works very, very fine.
Tried to read short/long press of button ... but no succes. No matter what I do, I always have same result, as pressed "short".
Sorry for my poor english, I use g...translate for many words.
-
Re: Long / short press button...but reading ADC
i'm assuming you have multiple buttons each with a different R4 so that in this example ---- with b1 pressed adc read is < 600,b2 pressed adc read is < 500,b3 pressed adc read is < 400.
this pretty much the same as my first example but it keeps track of which button of the three is pressed and for how long.
untested
Code:
@ __config _XT_OSC & _WDT_OFF & _PWRTE_ON & _MCLRE_ON & _BODEN_ON
DEFINE OSC 4
long_press_threshold con 40 ;2 sec
press_threshold con 8 ;.4 sec
trigger_thresshold_1 con 600 ; adc reading must fall below this to count as a pressed button 1
trigger_thresshold_2 con 500 ; adc reading pressed button 2
trigger_thresshold_3 con 400 ; adc reading pressed button 3
CMCON = 7
TRISIO = %00001001
INTCON = 0
IOC = 0
GPIO = 0
ANSEL = %00110001
ADCON0.7 = 1
last_b_level var byte ; last button
b_level var byte ; which button
DataW var WORD ' WORD Temporary working variable
b_cnt var byte
b_ACT var byte ;0 not pressed ,1 pressed for 1 sec ,2 pressed for 2 sec
clear
Main:
gosub chk_sw
Pause 50
if b_ACT then
if b_level==2 then ;button 2
if b_ACT ==1 then
GPIO.2 = 0
else
GPIO.2 = 1
endif
b_ACT=0
b_cnt=0
b_level=0
endif
endif
Goto Main
chk_sw:
ADCON0 = %10000001 ;ch0
Pauseus 50 ' Wait for channel to setup
ADCON0.1 = 1 ' Start conversion
While ADCON0.1=1:Wend ' Wait for conversion
DataW.HighByte=ADRESH ' Read variable from ADC and save
DataW.LowByte=ADRESL
if DataW < trigger_thresshold_1 then
b_level =1
elseif DataW < trigger_thresshold_2 then
b_level =2
else DataW < trigger_thresshold_3 then
b_level =3
endif
if b_cnt==0 then last_b_level= b_level ;first press begin
if b_level= last_b_level then ; same btn is active add to count
b_cnt=b_cnt+1 ;if btn is active add to count
IF b_cnt > long_press_threshold THEN b_ACT= 2
ELSE ;button released
if b_cnt > press_threshold THEN ;press_threshold met
IF b_cnt > long_press_threshold THEN
b_ACT= 2 ;LONG press >2 SEC
ELSE
b_ACT= 1
ENDIF
ELSE ;press_threshold not met
b_ACT= 0
b_cnt=0 ;reset count
b_level=0
ENDIF
endif
return
-
Re: Long / short press button...but reading ADC
Thanks again for support !
Unfortunately I can not solved this ... because "For accurate reading of ADC I use bubble-sort algoritm, how it's presented on this forum."
No matter what I tried ; it's available ONLY short press.
Regards !
-
Re: Long / short press button...but reading ADC
What if you start a timer?
DT's routines could tell you how long a button is pressed.
Robert
-
Re: Long / short press button...but reading ADC
Thanks !
I thought about this ... Should I use this ?
I don't think I have "space" :( ...
-
Re: Long / short press button...but reading ADC
can you explain what you are trying to achieve ?
do you in fact have multiple buttons each with a different R4 ?
did you try my second example ? is it even relevant if not what needs to happen differently ?
at this stage I still can't see how an array sorting routine is in any way useful for detecting button presses long or short .
why not post the code for what have you tried
dt_elapsed will not run on a12f675
-
Re: Long / short press button...but reading ADC
Fratello,
I would suggest downloading and looking at the original for 18F PICs here:
http://www.picbasic.co.uk/forum/show...271#post130271
Robert
-
1 Attachment(s)
Re: Long / short press button...but reading ADC
Tried hard to solve this problem, using a timer ... but without succes :( .
Any advice will be very appreciated !
Code:
@ __config _XT_OSC & _WDT_OFF & _PWRTE_ON & _MCLRE_ON & _BODEN_ON
DEFINE OSC 4
CMCON = 7
TRISIO = %00001011
INTCON = 0
IOC = 0
GPIO = 0
ANSEL = %00110001
ADCON0.7 = 1
nr var word
adca var word
adcb var word
ADCValue var WORD ' Final ADC Result
CounterA var BYTE ' Just a BYTE Temporary working variable
DataW var WORD ' Just a WORD Temporary working variable
RawData var word [10] ' Array holding ADC Result
TIP_press VAR BIT
j VAR word
GPIO.2 = 0
GIE VAR INTCON.7
GPIE VAR INTCON.3
GPIF VAR INTCON.0
Timer1 var word EXT :@Timer1 = TMR1L
TMR1ON VAR T1CON.0
TMR1IF VAR PIR1.0
LONGPRESS VAR BIT
T1CON = %00110100
T1COUNT VAR BYTE
GIE =0
GPIE=0
IOC.0 = 1
ok var bit
;============================================================================
Main:
ok=0
tip_press=0
TIMER1 =3037
T1COUNT=0
LONGPRESS=0
nr=1
ADCON0 = %10000001
Pauseus 50
ADCON0.1 = 1
While ADCON0.1=1:Wend
DataW.HighByte=ADRESH
DataW.LowByte=ADRESL
if dataw < 631 then
TMR1ON=1
pause 1
WHILE dataw < 631
T1COUNT=T1COUNT + 1
CALL CHECK
WEND
IF LONGPRESS = 1 THEN
TIP_press = 1
ELSE
TIP_press = 0
ENDIF
T1COUNT = 0
pause 1
call achizitie
endif
gosub efectuez
gpif = 0
GOTO MAIN
achizitie:
for nr = 1 to 2
For CounterA=0 to 9
ADCON0 = %10000001
Pauseus 50 ' Wait for channel to setup
ADCON0.1 = 1 ' Start conversion
While ADCON0.1=1:Wend ' Wait for conversion
DataW.HighByte=ADRESH ' Read variable from ADC and save
DataW.LowByte=ADRESL
RawData(CounterA)=DataW
Next CounterA
CounterA=0
Gosub Getsort
next nr
return
CHECK:
IF TMR1IF then
TMR1IF = 0
Timer1 = 3037
T1Count = T1Count + 1
if T1Count = 2 then
TMR1ON = 0
T1Count = 0
LongPress = 1
endif
ENDIF
RETURN
;============================================================================
GetSort:
If RawData(CounterA+1) < RawData(CounterA) then
DataW=RawData(CounterA)
RawData(CounterA)=RawData(CounterA+1)
RawData(CounterA+1)=DataW
If CounterA>0 then CounterA=CounterA-2
endif
CounterA=CounterA+1
If CounterA<10 then goto GetSort
DataW=0
For CounterA=4 to 7
DataW=DataW+RawData(CounterA)
Next CounterA
ADCValue=DataW>>2
if nr = 1 then
adca = adcvalue
else
adcb = adcvalue
endif
if adcb=adca then ok = 1
Return
;============================================================================
efectuez:
if ok=1 then
IF adcb > 300 AND adcb < 350 THEN
if tip_press = 1 then
gpio.2 = 1 : pause 2000 : gpio.2 = 0
else
gpio.2 = 1 : pause 500 : gpio.2 = 0
endif
endif
endif
Return
;============================================================================
Attachment 8224
-
Re: Long / short press button...but reading ADC
Why do you insist on sorting the ADC readings? What problem is that trying to solve?
I'd get rid of the "bubble sort" and try starting with Richard's code.
-
Re: Long / short press button...but reading ADC
The schematic is working into "hard" environment ... I tried different variants before this. THIS is the only way to have accurate readings of ADC.
-
Re: Long / short press button...but reading ADC
I see now... the code isn't just a bubble sort. It sorts a set of adc readings and then averages the "inner most" set of them which would tend to exclude the outliers.
What if you take this portion of Richard's code
Code:
chk_sw:
ADCON0 = %10000001 ;ch0
Pauseus 50 ' Wait for channel to setup
ADCON0.1 = 1 ' Start conversion
While ADCON0.1=1:Wend ' Wait for conversion
DataW.HighByte=ADRESH ' Read variable from ADC and save
DataW.LowByte=ADRESL
and replace that with the result of your existing sort/average routine?
-
Re: Long / short press button...but reading ADC
Already tried ... it's act like I always press SHORT !
-
Re: Long / short press button...but reading ADC
the dataset you are trying to infer information from consists of two pieces of data
1. the adc reading
2. the timestamp of the reading
The periods you are interested in are between .2 and 1 sec. if you sample the input volts at 200 times / sec (5mS)
then you need to store at least 200 samples and their timestamps . when you have those samples you could analyse the dataset
for press/longpress data. you need to understand that if you sort the data on the adc value then the time stamp value needs to be included in the sort otherwise the data becomes useless [all the time info is lost].
If the data is so noisey that my method fails the the above method could work but it would not be possible on a 12f675 [insufficient ram]
lowering the input impedence, altering the sample rate or increasing the "pressed"/"not pressed" tolorance may help.
Write a pgm to capture and print the adc reading at a 5mS sample rate .then you can examine the data statistically for a fundamental noise frequency that may be possible to filter out or maybe some other ways to mitigate the noise problem. without real data i'm just speculating.
my method could also be turned around to count the number of "valid" reads in a period rather than the number of "periods" of valid reads ,
which may perform better in noisy environments
-
Re: Long / short press button...but reading ADC
One thing I will say is that with the code from post #14 you need to rearrange the threshold levels
or the order of tests so that they go from the lowest value to the highest.
Right now the code is
Code:
trigger_thresshold_1 con 600 ; adc reading must fall below this to count as a pressed button 1
trigger_thresshold_2 con 500 ; adc reading pressed button 2
trigger_thresshold_3 con 400 ; adc reading pressed button 3
if DataW < trigger_thresshold_1 then
b_level =1
elseif DataW < trigger_thresshold_2 then
b_level =2
else DataW < trigger_thresshold_3 then
b_level =3
endif
For that to work it needs to check from lowest value to highest value...
Code:
trigger_thresshold_1 con 400 ; adc reading must fall below this to count as a pressed button 1
trigger_thresshold_2 con 500 ; adc reading pressed button 2
trigger_thresshold_3 con 600 ; adc reading pressed button 3
Otherwise everything will look like button 1
-
3 Attachment(s)
Re: Long / short press button...but reading ADC
your correct tumbleweed , I think there is another issue there with that code too but fratello has not indicated that multiple buttons actually are on the agenda so I left it as is.
if anyone is interested I do have a multiple button version that is complete and works .i'm quite surprised just how well the idea actually works so I developed it a bit further .its a good option if pins are limited.
I would be interested to see fratellos raw data and see if noise is really the issue
-
Re: Long / short press button...but reading ADC
Another thing that the sort and average routine in post #11 does is to perform the routine twice and compare the two resulting averages before declaring "I see a valid key" (if adca=adcb then gosub efectuez).
That could be adapted to fit into the "check_sw" portion of your code by changing some of the post#11 averaging variables around and only
changing the "result" DataW on a match...
Code:
if adca=adcb then
DataW = adca
endif
return
How well all that works depends on the noise, how many switches (and how far apart the values are), etc, but I could see where it'd be better than just using a single adc value for sure.
Quote:
if anyone is interested I do have a multiple button version that is complete and works
Sure. Love to see it.
-
1 Attachment(s)
Re: Long / short press button...but reading ADC
its on a 12f683
the interrupt use is unnecessary , i left it in for experimenting with
-
Re: Long / short press button...but reading ADC
Thank you all for support !
Very interesting suggestions and points-of-view ...
@Richard :
Quote:
if anyone is interested I do have a multiple button version that is complete and works ...
Of course !!!
-
Re: Long / short press button...but reading ADC
I could be wrong but I have to ask about using "CALL" instead of GOSUB for the sub routines CHECK and achizitie.
From the MCS Help section:
Quote:
CALL Label
Execute the assembly language subroutine named Label. GOSUB is normally used to execute a PicBasic subroutine. The main difference between GOSUB and CALL is that with CALL, the existence of Label is not checked until assembly time. Using CALL, a Label in an assembly language section can be accessed that is otherwise inaccessible to PicBasic.
Example
CALL pass ' Execute assembly language subroutine named _pass
I've never used it in place of GOSUB so don't know if a RETURN works the same in this case.
-
Re: Long / short press button...but reading ADC
I've done multi-button with long press (and timed no-button auto-backout) on a '88 using ADC to save pins, and it worked fine, but field EMF noise can wreak absolute havoc on your results (fluorescent lights much?) if you're not using twisted, and preferably shielded wire. That could be what's throwing you out of your "consistent" results needed to qualify for a long-press. Ceradiodes or double-zeners can bleed off freak transients, and a capacitor at the chip A/D input pin would help smooth things out.
-
1 Attachment(s)
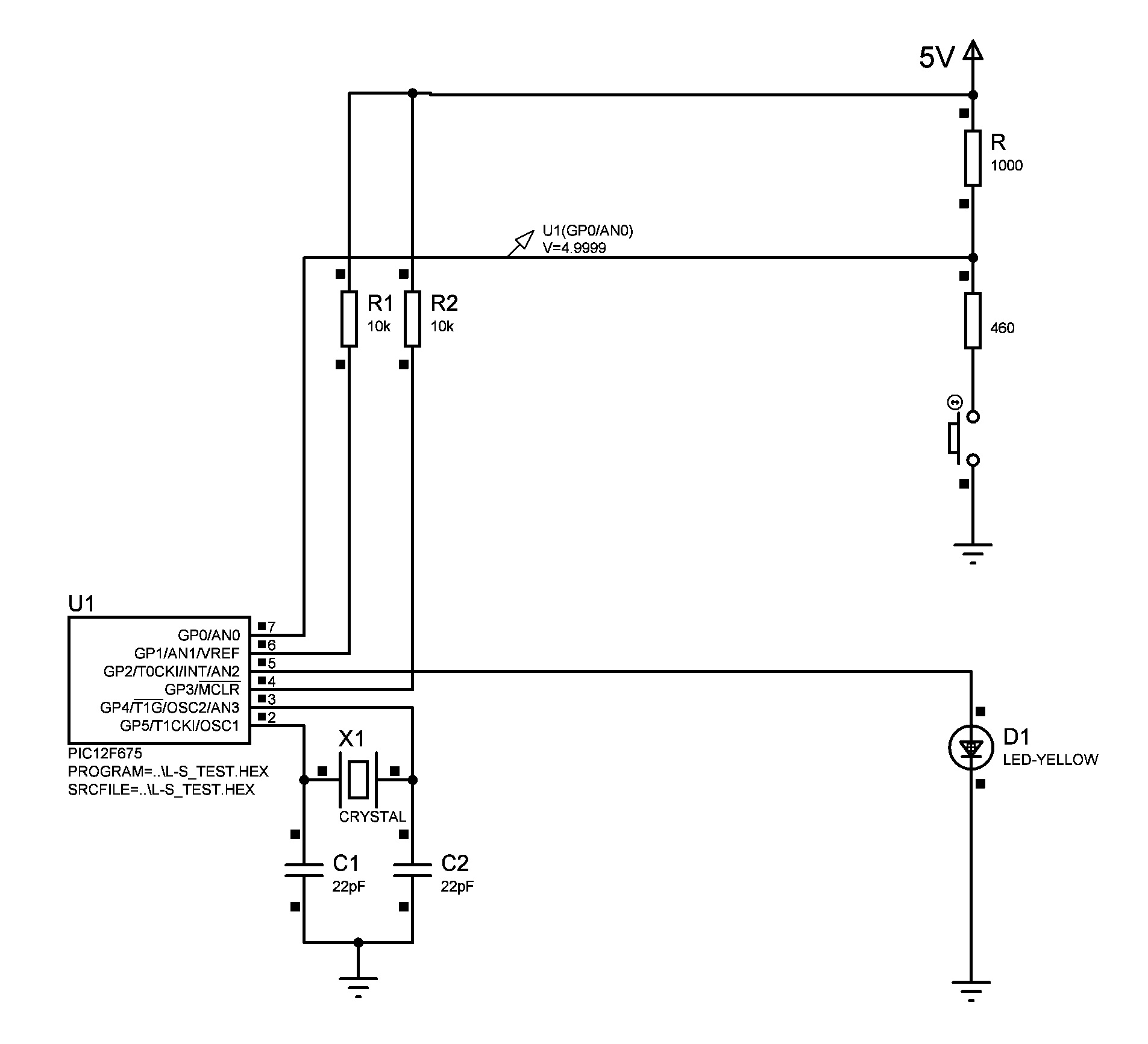
Re: Long / short press button...but reading ADC
@Mr.Richard : Tried to figure out how your soft work ... But in Proteus nothing happens.
I do something wrong ? I "addapted" the "elseif" command, since is not present in PBP 2.6 (?).
Thanks in advance for support !
Code:
;pic12f683
DEFINE OSC 8
include "dt_ints-14.bas"
include "REENTERPBP.bas"
@timer1 =TMR1L
wsave VAR BYTE $20 SYSTEM ' location for W if in bank0
wsave1 VAR BYTE $A0 SYSTEM ' location for W if in bank1
ASM
INT_LIST macro ; IntSource, Label, Type, ResetFlag?
INT_Handler TMR1_INT, _chk_sw, PBP, yes
endm
INT_CREATE
ENDASM
long_press_threshold con 200 ;1 sec 200*5( time const)=1000mS
short_press_threshold con 5
btn_tol con 25 ;ADC READING TOLORACE
number_of_buttons con 3 ;MAX 7
;4K7 TO 5V
' 3k3 /
' ___ /\ /\ /\ ___/ ^____ btn1
' | \/ \/ \/ \/ |
' 5v 4k7 | 2k2 / |
' ___ /\ /\ /\ ___!___ /\ /\ /\ ___/ ^____!btn2
' \/ \/ \/ \/ | \/ \/ \/ \/ |
' | 1k / |
' ____________________!___ /\ /\ /\ ___/ ^____!btn3
' an3 gpio4 \/ \/ \/ \/ |
' |
' ________________________________________________!
' gnd |
' ___________|\|__led_____________________________|
' gpio2 |/|
OSCCON=$70
CMCON0 = 7
TRISIO = %111011
ANSEL = %01011000 ;fosc/16 ,an3
btn_adc var word[number_of_buttons]
b_cnt var byte[number_of_buttons]
b_state var byte[number_of_buttons] ;0 not pressed ,1 short ,2 long
button_index var byte ;which button
led var gpio.2 ;led
btn_flg var byte
abp var BIT
adcr var WORD ;adc reading
timer1 VAR WORD EXT
tmp var word
FLASH_ON VAR WORD ;led
FLASH_OFF VAR WORD ;led
FLASH_DUTY VAR WORD ;led
led = 0
clear
btn_adc[0]=209 ;adc read for buttons
btn_adc[1]=327 ;adc read for buttons
btn_adc[2]=422 ;adc read for buttons
timer1=55543 ;5mS time const
T1CON=1
@ INT_ENABLE TMR1_INT
FLASH_OFF=200
FLASH_On=0
ADCON0 = %10001101 ;warm up the adc ,right shift ,an3
ADCON0.1 = 1 ' Start a conversion
Main:
Pause 5 ;loop time const
IF ABP THEN
button_index= 0
tmp=20
while abp
if B_STATE[button_index]=2 then
FLASH_OFF= tmp
abp=0
led=0
FLASH_DUTY=0
else
if B_STATE[button_index]=1 then
FLASH_On=tmp
abp=0
led=0
FLASH_DUTY=0
endif
endif
tmp=tmp+100
B_STATE[button_index]=0
button_index=button_index+1
if button_index= number_of_buttons then abp=0 ;clr error if req
wend
ENDIF
IF FLASH_ON THEN
IF FLASH_DUTY=0 THEN
led = ! LED ; flash led
IF LED THEN
FLASH_DUTY = FLASH_ON
ELSE
FLASH_DUTY = FLASH_OFF
ENDIF
ELSE
FLASH_DUTY=FLASH_DUTY-1
ENDIF
ENDIF
Goto Main
chk_sw:
T1CON.0=0
timer1=timer1+55543
T1CON.0=1
;ADCON0 = %10001101 ; NO NEED since ch never changes and ADC is left ON
;Pauseus 50 ' aqusition time if req
;ADCON0.1 = 1 ' Start conversion
;While ADCON0.1=1:Wend ' Wait for conversion
adcr.HighByte = ADRESH ' Read variable from ADC
adcr.LowByte = ADRESL
FOR button_index = 0 TO 2
if ! B_STATE[button_index] then
IF abs (adcr- btn_adc[button_index] )< btn_tol then
if btn_flg.0[button_index] THEN
IF b_cnt[button_index] < 250 THEN b_cnt[button_index]=b_cnt[button_index]+1
ELSE ;FIRST PRESS FOR THIS BUTTON
b_cnt[button_index]=0
btn_flg.0[button_index]=1
ENDIF
ELSE
IF btn_flg.0[button_index] THEN ; HAD THIS BUTTON BEEN PRESSED ?
IF b_cnt[button_index] > long_press_threshold THEN
B_STATE[button_index]=2
abp=1
ELSE
IF b_cnt[button_index] > short_press_threshold THEN
B_STATE[button_index] =1
abp=1
ENDIF
endif
btn_flg.0[button_index]=0
ENDIF
ENDIF
endif
next
ADCON0.1 = 1 ' Start conversion for next pass
@ INT_RETURN
Attachment 8266
-
Re: Long / short press button...but reading ADC
Quote:
Tried to figure out how your soft work ... But in Proteus nothing happens
did you try it on a real chip ?
-
Re: Long / short press button...but reading ADC
the led should have a series resistor to limit current , I assumed that would be obvious and omitted it from the sketch
@ 5v try 180 ohm for a yellow led
-
Re: Long / short press button...but reading ADC
Thanks for reply ! Proteus work fine even without resistor for LED ... I wonder if my "adaptations" of code are corect.
-
Re: Long / short press button...but reading ADC
your adaptation works fine when complied with pbp3 [on a real chip http://www.picbasic.co.uk/forum/images/icons/icon12.png, none of this simulator nonsense ], can't vouch for pbp2.6
would recommend an upgrade :D
-
Re: Long / short press button...but reading ADC
I see ... Thank you !
LE : Please, can share asm & hex file, as results of PBP3 compiled ?