Help me....
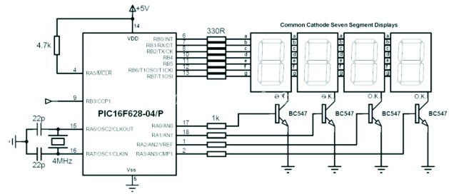
Hai friends...I have a problem in this project. the project use the 7 segment with common cathoda.
My question : how to convert this circuit with 7 segment common anoda??? because I was having trouble finding 7 segment in my place.
Attachment 7098
Help me please...thanks before for all..
