1 Attachment(s)
please help with 12f683 pwm code
Hi..
please I have this :
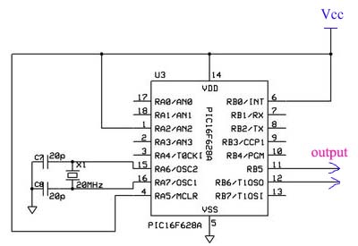
Attachment 6987
this circuit with pic16f628a provide PWM wave from pin 11 and the inverter of this pwm wave from pin 12 ....and this is the hex file for this :
http://www.instructables....KG/FYUZEM6HAQ35NKG.hex
Now ,,, I need to help me to write the same this code to pic12f683 ....
please anyone help me ? write this code to me with 12f683 ?
Re: please help with 12f683 pwm code
I do think you are asking too much ...
moreover if you can't provide the source ( asm ) code !!!
Alain
Re: please help with 12f683 pwm code
I need to write a c code to pic12f683 to out PWM with the inverter of it (out 2 equal the complement of out 1) signal like the hex file:
http://www.instructables.com/files/o...M6HAQ35NKG.hex
but i need in pic12f683 not 16f628...ok?
please help me to write it?
Re: please help with 12f683 pwm code
It must be getting towards the end of the semester. This has got to be a school project and someone partied too long and hard to get it done on time.
We don't do C here. That's why it's called a PICBasic forum.
Re: please help with 12f683 pwm code
Re: please help with 12f683 pwm code
Quote:
Originally Posted by
haidar
c or micro c ....ok?
Neither - as has been pointed out numerous times.
Re: please help with 12f683 pwm code
ok.. give me the code in c or any language...but i favorite C
Re: please help with 12f683 pwm code
Hey haidar, It's your project... Give us a good reason why we should write your code...
Re: please help with 12f683 pwm code
I need to write aprogram for the inverter circuit :
http://www.instructables.com/id/Adap...ve-Inverter-1/
but in 12f683 no 16f628 ok?
Re: please help with 12f683 pwm code
Why not just use the 16f628?? They provide the .hex file for the project using the 16f628.
Otherwise, if you use the 12f683 you will then have to have someone design a new circut board for you.