The dali can't conmmunicate with the computer
hello,everyone.
I have done a circuit reference the microchip website information,but i found it can't communicate with the computer. I have checked the rs232 and the Optocoupler ,both of them communicate nomal.And the RB1(signal) input is ok,but the RB4 output is no singal .Does anyone can tell me why .
Really appreciate your help
Re: The dali can't conmmunicate with the computer
You will need to provide more information.
The chip you are using.
Your code.
How what is connected to what.
And the programming language used.
2 Attachment(s)
Re: The dali can't conmmunicate with the computer
hello,Dave.
Thank you for answering me the question.
You can find all the information on this website.
http://www.microchip.com/stellent/id...pnote=en012007
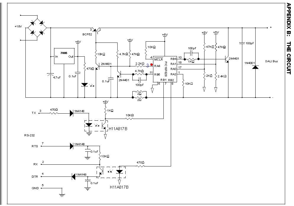
the chip is PIC16F628 which writing in assembly language.
Here is the schematic diagram.Attachment 6673
Here is the commander softwareAttachment 6674
It's always like this: the red light