Current to Voltage Converter Schematic Question
	
	
		I am building a project which requires a current to voltage conversion. The current range is 4 to 20 mA and the output voltage I need is between 0 to 5V for my PIC. I have seen some schematics online but not sure if they are suitable. They all use Op-Amps to do this conversion. I don't have any experience with OpAmps so I am kinda stuck here.
The sensor which outputs this 4 to 20mA current is running on 12V, my pic is running on 5V supply. How accurate can these conversion circuits using OpAmps be practically? Thanks
Can this above circuit be done using 741 OpAmp? As they are easily available.
	 
	
	
	
		Re: Current to Voltage Converter Schematic Question
	
	
		You can use just 250ohm 1% resistor...
	 
	
	
	
		Re: Current to Voltage Converter Schematic Question
	
	
		Thanks Pedja, could you please explain a little more with may be a reference to the circuit.
	 
	
	
	
		Re: Current to Voltage Converter Schematic Question
	
	
		http://img13.imageshack.us/img13/7916/iuc.gif
R2 is to protect pic if current is over 20mA.
Also you can use 220 Ohm resistor for R1, so you can detect over current...
	 
	
	
	
		Re: Current to Voltage Converter Schematic Question
	
	
		Thanks. 
Just curious to know why there are so many circuits involving Op-Amps when this can be done so simply with 2 resistors?
	 
	
	
	
		Re: Current to Voltage Converter Schematic Question
	
	
		Because when input is on 4mA output voltage is 1V. So you get output 1-5V for input 4-20mA. Some pic have differential input, so you still can get all 8,10 or 12 bit. Or you can in software subtract value to get 0 reading when input is 4mA, but then resolution is lower. 
Also you can use OAmp with offset to get 0 on output when input is 4mA...
	 
	
	
	
		Re: Current to Voltage Converter Schematic Question
	
	
		Thanks Pedja. One more question has popped up in my mind. I measured the voltage on the output of the sensor. It measures out at 8V, the sensor is working on 12V. So is it safe to connect the connections from the sensor to the PIC with just one resistor in between?
	 
	
	
	
		Re: Current to Voltage Converter Schematic Question
	
	
		Mesure voltage on R1, that voltage goes to pic. U=R*I, R=250 Ohm, I=20mA, U=5V. So check your circuit and current...
	 
	
	
	
		Re: Current to Voltage Converter Schematic Question
	
	
		If it measures at 8V, then you have 32 mA, so your original spec that it would never go over 20 mA was wrong. 
What exactly is the source of this current? If you tell us what you are trying to do, we can help more easily. The solution given to you assumed your source would be O.K. with a 250 ohm load in series - that might not be the case.
	 
	
	
		1 Attachment(s)
	
	
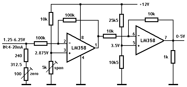
		Re: Current to Voltage Converter Schematic Question
	
	
		Attachment 6699
It started with 4-20mA so a normal resistor will not provide 0-5V rather it would give 1-5V. This will decrease the accuracy to 20%.
it seems to me, it is a standard current signal of 4-20mA.
For this reason, you need to use op-amp. Have a look at the circuit.
	 
	
	
	
		Re: Current to Voltage Converter Schematic Question
	
	
		
	Quote:
	
		
		
			
				Originally Posted by 
tufail74
				 
			 This will decrease the accuracy to 20%.
			
		
	 
 Actually, it decreases the dynamic range, and is easily compensated for without op-amps.