16F777 resetting - at seemingly random times
Interrupts? WDT?
I've the PIC fading through the spectrum with RGB LED strips connected to the three PWM pins. Yet something keeps resetting the program. The timing of the resets is not consistent - at lease once every 2 mins, sometimes after 30 seconds.
I've turned off the WDT and disabled all interupts - also set all pins to outputs.. still resetting. Have I perhaps done this incorrectly, or missed something?
Any other ideas what could cause this?
Code:
@ DEVICE PIC16F777, INTRC_OSC_NOCLKOUT, WDT_OFF
DEFINE OSC 8
OSCCON = %01110010 'see data sheet for INTRC speed setting
ADCON1 = 15 ' All I/O pins digital
INTCON.7 = 0 ' tunr off all interuppts
TRISA = %00000000
TRISB = %00000000
TRISC = %00000000
TRISD = %00000000
TRISE = %00000000
' Set CCPx pins to outputs
TRISC.2=0 ' CCP1 output
TRISC.1=0 ' CCP2 output (could also be assigned to RB3)
TRISB.5=0 ' CCP3 output
' Set CCP modules to PWM mode
CCP1CON = %00001100 ' Mode select = PWM
CCP2CON = %00001100 ' Mode select = PWM
CCP3CON = %00001100 ' Mode select = PWM
' Set period up for 1.22kHz PWM freq
PR2 = $FF
pie2.0 = 0
pie2.1 = 0
pie1.2 = 0
' Set TMR2 up for 1:16 prescale & turn it on
T2CON = %00000110 ' TMR2 ON 1:16 prescale
' Word vars for 10-bit value of each PWM duty cycle
DutyR VAR WORD ' Channel #1
DutyG VAR WORD ' #2
DutyB VAR WORD ' #3
cyclespeed var byte
cyclemax var word
cyclespeed = 10
cyclemax = 900
gosub cyclestart 'INTRO SEQUENCE
main
ChangeGreenUp:
Repeat
DutyG = Dutyg + 1
gosub colourset
pause cyclespeed
until dutyg = cyclemax
ChangeRedDown:
Repeat
Dutyr = Dutyr - 1
gosub colourset
pause cyclespeed
until dutyr = 0
ChangeBlueUp:
Repeat
Dutyb = Dutyb + 1
gosub colourset
pause cyclespeed
until dutyb = cyclemax
ChangeGreenDown:
Repeat
Dutyg = Dutyg - 1
gosub colourset
pause cyclespeed
until dutyg = 0
ChangeRedUp:
Repeat
Dutyr = Dutyr + 1
gosub colourset
pause cyclespeed
until dutyr = cyclemax
ChangeBlueDown:
Repeat
Dutyb = Dutyb - 1
gosub colourset
pause cyclespeed
until dutyb = 0
goto main
'---------------------------------------------------------------------------
colourset:
CCP1CON.4 = Dutyg.0 ' Setup 10-bit duty cycle as
CCP1CON.5 = Dutyg.1 ' a 10-bit word
CCPR1L = Dutyg >> 2
CCP2CON.4 = DutyR.0
CCP2CON.5 = DutyR.1
CCPR2L = Dutyr >> 2
CCP3CON.4 = Dutyb.0
CCP3CON.5 = Dutyb.1
CCPR3L = Dutyb >> 2
return
'---------------------------------------------------------------------------
cyclestart:
dutyR = cyclemax
dutyg = 0
dutyb = 0
gosub colourset
PAUSE 500
dutyR = 0
dutyg = cyclemax
dutyb = 0
gosub colourset
PAUSE 500
dutyR = 0
dutyg = 0
dutyb = cyclemax
gosub colourset
PAUSE 500
dutyR = cyclemax
dutyg = 0
dutyb = 0
gosub colourset
return
'---------------------------------------------------------------------------
END
Many Thanks!
Re: 16F777 resetting - at seemingly random times
Are you sure you habe a strong and noice free powersupply. Do you power the LED and the PIC from the same supply? Maybe there is not just enough power when you have all 3 LEDs on at maxpower to make white.
Is BOR turned off or at least set to its lowest setting?
Are the LED drivven inside their performance (current limiting resistors)?
Re: 16F777 resetting - at seemingly random times
I have tried three power supplies - Using one for circuit and one for LEDS, and also using the same supply split with a voltage regulator for the PIC circuit. The LED supply is a hefty (and expense!) 12v 8.5 amp supply that should be more than adequate to power 10meters of 5050 smd RGB leds;
36watts per 5 meters - From Manufacturer
Thus 10m = 72 watts
72 / 12v = 6 amp.
I believe that calculation is correct. No smoke yet anyway...
On your suggestion, I have set PCON.2=0 (BOR = OFF) and the problem persists.
Any other ideas? I read something about PCL tables...
Many Thanks!
The LED strips have their own resistors. As I am cycling through the colours - there are only ever two colours on at the same time (interesting spectral information!).
1 Attachment(s)
Re: 16F777 resetting - at seemingly random times
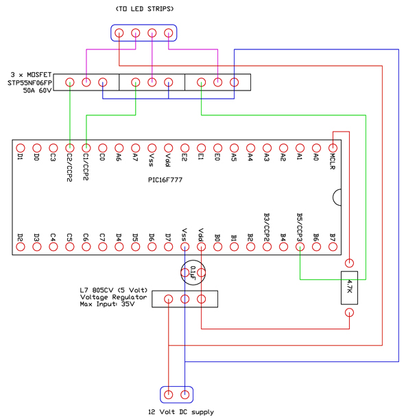
here is the circuit;
Attachment 5706
Re: 16F777 resetting - at seemingly random times
- Try adding 1.0uF caps to the input and output of the 5V regulator as well.
- I would make sure the 4.7K pullup on the MCLR line has a solid connection. A MCLR left floating would also cause intermittent resets.
- Or just disable the MCLR function (MCLR_OFF, if I remember correctly) just to be sure some unseen noise spikes are not triggering the uC reset.
Re: 16F777 resetting - at seemingly random times
Try 47ohm resistor between PWM pins and mosfet gate
Re: 16F777 resetting - at seemingly random times
BOTH Vdd and BOTH Vss NEED to be connected.
Re: 16F777 resetting - at seemingly random times
BOTH Vdd and Vss? Wow, that's new - I'm surprised my other projects worked at all..
Will start with that and the MCLR and see how it goes.
Thank you all.
Re: 16F777 resetting - at seemingly random times
Working perfectly!
Changes made,
MCLR OFF
47ohms resistors to MOSFET's
both Vdd and Vss's connected
Have not added the cap's due to space constraints - but will do that if it plays up again.
Thank you all again.
Orjon.
Re: 16F777 resetting - at seemingly random times
I thought so but was not sure enough to mention it, thanks Steve.