2 Attachment(s)
Color GLCD Project, Analog clock
The attach zip contains a number of projects, the clock application is called "Clock_8_BIT_par_TFT.pbp" This project has a external RTC that can be set via USB with VB6.
There are a few other projects to drive this display including a SPI interface.
Disclaimer; I am not a programmer so my code may not be the most efficient.
Enjoy
Dave
Re: Color GLCD Project, Analog clock
Thanks for posting this project.
Re: Color GLCD Project, Analog clock
Hi Dave. Thanks for posting this.
Great work on G-LCDs.
Do not worry about your programming. The first one that will imply anything, be sure I will ban him :)
Keep up the good work.
Also it would be helpful if you could show your LCD connections to the PIC and what if any short-unshorts on the G-LCD.
Ioannis
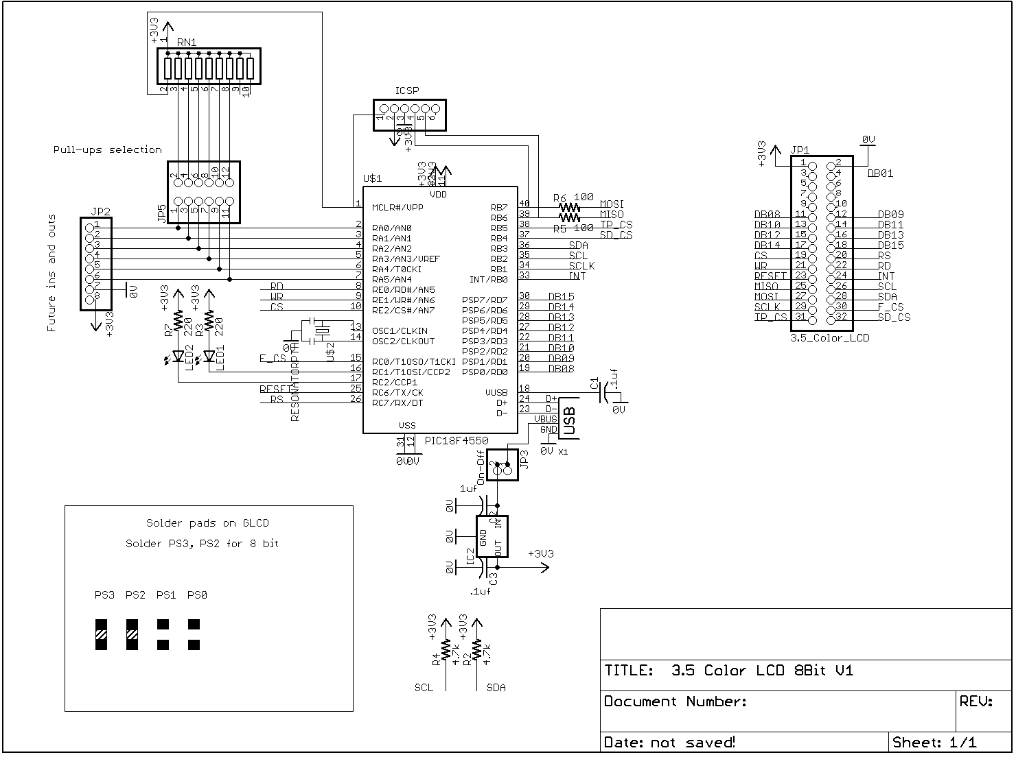
1 Attachment(s)
Re: Color GLCD Project, Analog clock
Thanks Ioannis
Here is the connection example.
Attachment 5492
Re: Color GLCD Project, Analog clock
Re: Color GLCD Project, Analog clock
Thanks Dave
I have a lot of time on my hands, and I like playing with the LCDs. Always learning something new.
Take care
Dave