2 Attachment(s)
Switch sensor vs. switch PIC pin
I made one thermometer with LED display for my car. I intend to use two DS18B20 sensors. Which method it's better : 1.using a switch for sensor-and a single pin of 16F628A (picture 1); 2.switching between sensor from one port of PIC (figure 2).
The distance from PIC to switch are about 40 cm and from PIC to sensors are about meters. Thanks in advance for reply !
Re: Switch sensor vs. switch PIC pin
Hi Fratello,
Why not just put them on the same bus with no switch?
According to the data sheet, you can talk to them both separately:
Quote:
Each DS18B20 has a unique 64-bit serial code, which allows multiple DS18B20s to function on the same 1-Wire bus. Thus, it is simple to use one microprocessor to control many DS18B20s distributed over a large area.
It looks like you have enough digits in your display to represent A or B for each temp, so you can tell them apart.
Re: Switch sensor vs. switch PIC pin
Thank for reply !
The reading of temperature is ...chaotic ! Sometimes I want to see the temperature of outside, sometimes -the temperature of inside ! Without any rule !
So, I need one switch... OK, the ideea to use both sensor on the same bus it's good, but...i need to read the serial number of each sensor and keep this serials in eeprom ?! It is one simply way to do this with PBP commands ? I made once one termometer using 1-wire commands and I remember it's not so easy :(...
Re: Switch sensor vs. switch PIC pin
You could have your Main loop check the status of a switch, not in your sensor loop, if closed it jumps to a sub routine to check one and if open it goes to a different sub routine. the DS18B20 temp sensors never get switched, they are always on, so no noise problem.
In the sub routines use your owout / owin and jumps to display refresh routine with pertinent data.
You could even have the main loop read both sensors every loop and have your subs just display the variables your data is stored in.
Re: Switch sensor vs. switch PIC pin
So the second variant it's better ?!
Re: Switch sensor vs. switch PIC pin
Hi Fratello,
Well your complaint was noise interfered with data when you switch the device in /out. If you leave it "in circuit" all the time it eliminates that possibility. By using a separate input to detect a switch the noise is confined there. You might also consider using a pin that has an interrupt available, so it changes in "real time", instead of waiting for a loop to get around to it.
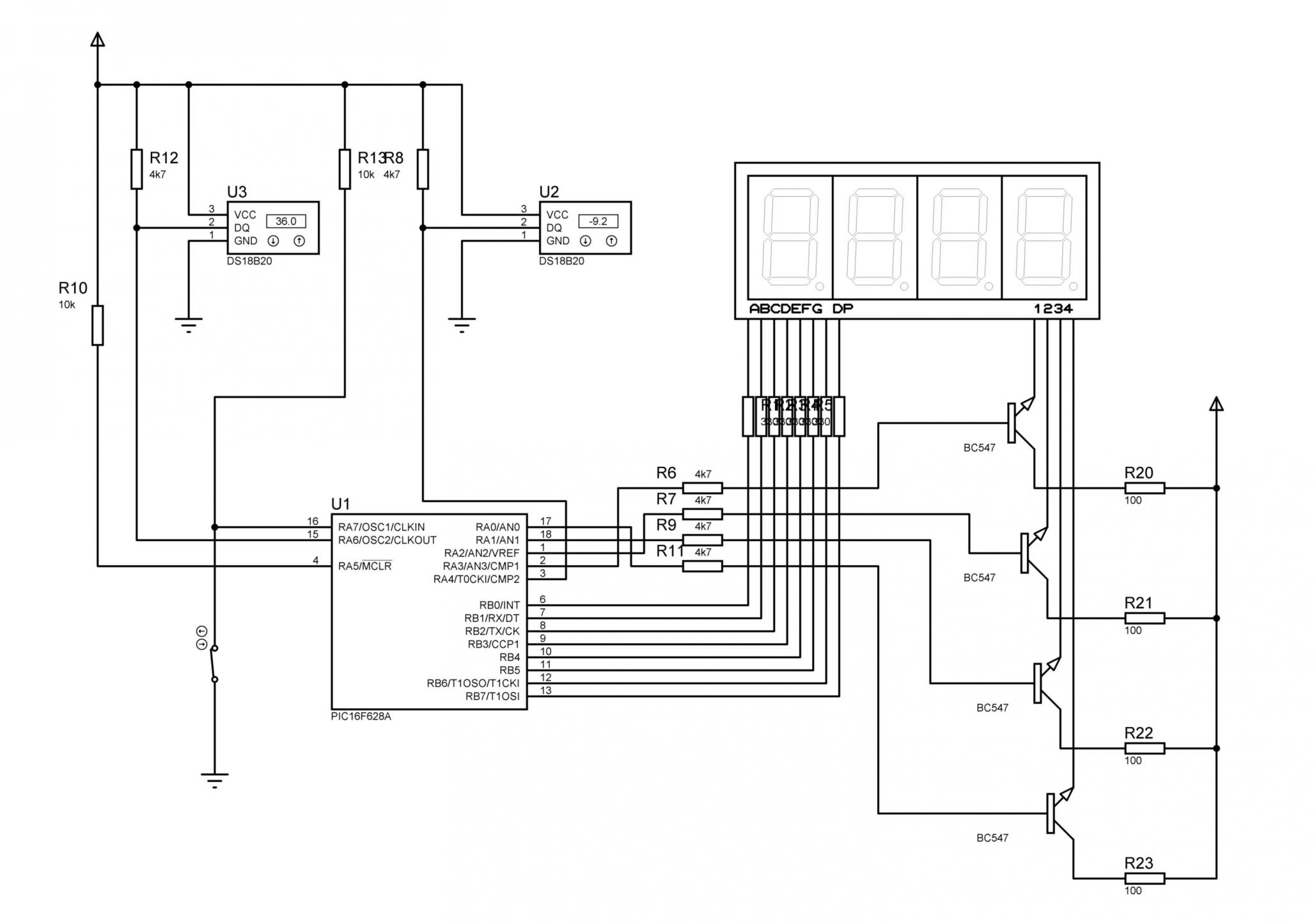
1 Attachment(s)
Re: Switch sensor vs. switch PIC pin
So...This is correct ?
Code:
...
If portA.7= 1 then
valoare=temperature
semn=sign
else
valoare=temperature2
semn=sign2
Endif
Gosub Selectie
Gosub Display ' B for Common CATOD;without B for Common ANOD
Goto Main
'======================================================================================
Selectie :
IF semn ="-" then
DIGIT_3="-"
else
DIGIT_3=" "
ENDIF
IF valoare DIG 2 = 0 THEN
DIGIT_2 = " "
ELSE
DIGIT_2 = valoare dig 2
ENDIF
DIGIT_1 = valoare dig 1
DIGIT_0 = valoare dig 0
RETURN
'======================================================================================
Display: ' For Common ANOD
for i=0 to 4
TEMP = DIGIT_3 : gosub segments
COMMON_3 = 1 : PAUSE 1 : COMMON_3 = 0
TEMP = DIGIT_2 : GOSUB segments
COMMON_2 = 1 : PAUSE 1 : COMMON_2 = 0
TEMP = DIGIT_1 : GOSUB segments
COMMON_1 = 1 : DP = 0 : PAUSE 1 : COMMON_1 = 0 : DP = 1
TEMP = DIGIT_0 : GOSUB segments
COMMON_0 = 1 : PAUSE 1 : COMMON_0 = 0
next i
RETURN
Thanks for support !Attachment 5335
Re: Switch sensor vs. switch PIC pin
One of my DS18B20 it's about 4 meters from PIC. What is the smaller value of resistor used for this sensor ? Can I try with 1k ? Thanks !
Re: Switch sensor vs. switch PIC pin
I have used 15m cable and pull up resistor 680 ohms. Resistor value depends greatly on the capacity of cable. And the capacity of the cable depends on the length.
Re: Switch sensor vs. switch PIC pin
With 5 meters of cable from PIC to DS18B20, no need to decrease value of R (still 4k7). Thanks for support !
Re: Switch sensor vs. switch PIC pin
...but, in some cases, I decrease the value to 3k9...for the same lenght of cables !