1 Attachment(s)
looking for a quick sanity check
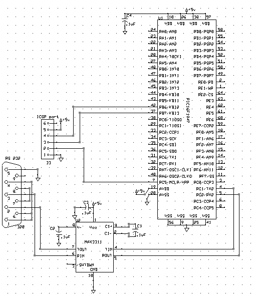
After 10+ years of playing with PIC's, Its time to talk to a puter. I have attached my test schematic for critique. Please note all the optional pin names may not be correct on the PIC, I tend to get rather lazy about changing all the names. But I have connected the correct pins for ICSP and Tx2/Rx2.
Heres my setup I am thinking about:
Laptop running win7-64
USB->RS232 cable
ICD3->ICSP
Power circuit from ICD3 through ICSP for serial testing
Some sort of hyperterminal style PC side (prolly Daves (Mackrackit) serial.py code)
Hardware USART PIC side
PBP 2.6a
Int clock
Now I would love to use USB instead of RS232, but that seems like trying to run when I can't even walk yet. So I guess my question is will the above collection of parts along with the proposed circuit give me the ability to make this work?
Attachment 4938