1 Attachment(s)
Temperature Monitoring Using GSM
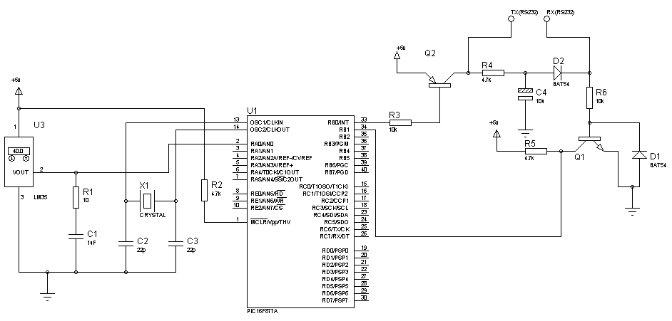
Please help me to construct a program. please give me a guide how to create a program using PICBASIC PRO.. how to send a message. example when the LM35 will get reach to the 50 degree Celsuis. the message that stored in the outbox will send to the first number in the phonebook automatically.. please help me for this. just give a guide how will i do that.. Thanks.. by the way.. the mobile that i would use is a nokia 3310.. here is my schematic... im using a PIC16F877a because i have many sensor to put but this time only i would use one sensor which is LM35..
Attachment 3774
please help me.. thank you