Technical characteristics :
- Voltage ....................... 2.7 - 3.3 V
- Range ......................-55 do 125' C
- Min. temp. step ............ 0,1 ' C
- Max. error ................... +/- 0,5 ' C
- Max. resolution ............. 0,0625 ' C
- Temp. refreshed every.... 1,2 sec.
- Dimensions ................... 40 * 38 mm
- 2 modes of display .......normal/inverse
- Lcd ............................. 84 * 48 pixels
- Amperage ................... 0,2 mA - 0,8 mA
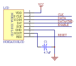
Attached is an include file for the Nokia 3310 LCD that has been modified from Gusse's code (in this thread Post 93 in the thread http://www.picbasic.co.uk/forum/show...0209#post70209 ), adds Darrel's PrintStr function, and a modified form of it for printing variables.
Using this include makes it much easier to use this LCD.
Here is an example of writing different text on separate lines:
Code:
@ PrintStr 0,0, "I love being" @ PrintStr 0,1, "able to print " @ PrintStr 0,2, "so easily!"
Ok, the printing a variable solution:
Code:
PosX = 0 'position 0 of 84 in the x direction PosY = 0 'row 0 (of 0-5) gosub Lcd_GotoXY Lcd_Data = (result dig 3) + 48 gosub Lcd_SendChar PosX = 6 'position 6 of 84 in the x direction PosY = 0 'row 0 (of 0-5) gosub Lcd_GotoXY Lcd_Data = (result dig 2)+ 48 gosub Lcd_SendChar PosX = 12 'position 12 of 84 in the x direction PosY = 0 'row 0 (of 0-5) gosub Lcd_GotoXY Lcd_Data = (result dig 1) + 48 gosub Lcd_SendChar PosX = 18 'position 18 of 84 in the x direction PosY = 0 'row 0 (of 0-5) gosub Lcd_GotoXY Lcd_Data = (result dig 0) + 48 gosub Lcd_SendChar
This makes it a lot easier with a one liner:
Code:
@ PrintVar x,y, _anyvariablehere
Code:
@ PrintStr 0,0, "If I write more than one line, it will scroll to the next one, and next."


Menu

Re: DT interrupt problem / K40 - "Priority State Not Found"
since ipr0 is not in access bank memory , that will not do what you think and may cause all sorts of buggy behavior
richard Today, 07:30also tmr0 interrupt is high priority at por so its an unnecessary step
as is ...